EasyManua.ls Logo

Lenze EVS9326-EK - Conditioning of the Setpoint Speed (NSET)

Lenze EVS9326-EK
524 pages
Print Icon
To Next Page IconTo Next Page
To Next Page IconTo Next Page
To Previous Page IconTo Previous Page
To Previous Page IconTo Previous Page
Loading...
Function block library
7-164
SHB9300CRV EN 2.0
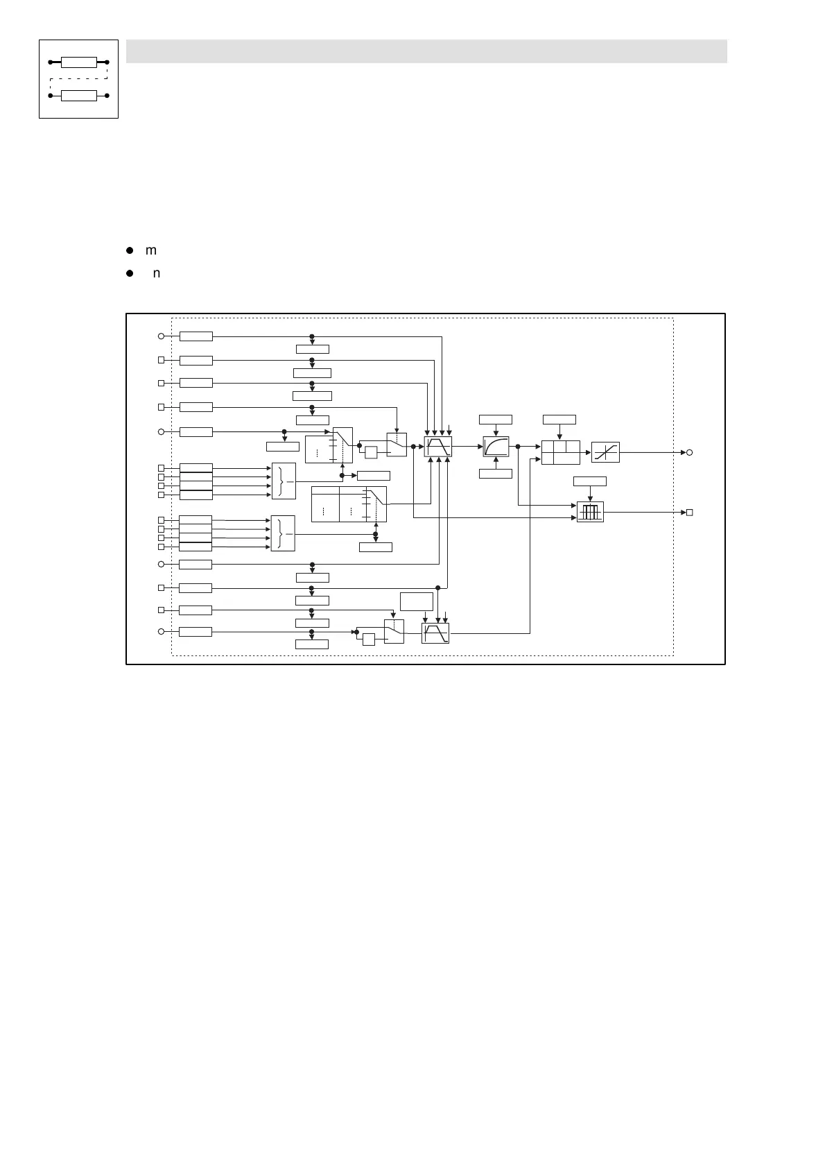
7.6.52 Conditioning of the setpoint speed (NSET)
Purpose
This FB conditions the
l
main setpoint speed and
l
and additional setpoint (or other signals)
for the subsequent control structure via ramp generator or fixed speeds.
C 0134
C 0182
CINH
*-1
C 0039/1
C 0039/15
C 0039/2
C 0103/1
C 0103/15
C 0103/2
C 0101/1
C 0101/15
C 0101/2
C 0012
C 0013
+
-
*
/
x/(1-y)
*-1
C 0190
x
y
CINH
C 0220/
C 0221
NSET
C 0046
C 0049
NSET-NADD
NSET-N
1
0
1
0
DMUX
0
3
0
15
NSET-NADD-INV
NSET-JOG*1
NSET-JOG*2
NSET-JOG*4
NSET-JOG*8
DMUX
0
3
0
15
NSET-TI*1
NSET-TI*2
NSET-TI*4
NSET-TI*8
J O G 1 ...1 5
TI 0...15
N S E T -N -IN V
N S E T -R F G -S T O P
N S E T -R F G -0
C 0241
NSET-NOUT
N S E T -R F G -I= 0
NSET-SET
NSET-LO AD
NSET-CINH-VAL
C 0799/1
C 0799/12
C 0799/13
C 0798/1
C 0798/2
C 0799/2
C 0799/3
C 0784
C 0790
C 0789
C 0781
C 0780
C 0787/1
C 0788/1
C 0785
C 0786
C 0783
C 0782
C 0787/2
C 0787/3
C 0787/4
C 0788/2
C 0788/3
C 0788/4
C 0130
C 0045
±199,99%
Fig. 7-126 Conditioning of the setpoint speed (NSET)
Show/Hide Bookmarks

Table of Contents

Related product manuals