EasyManua.ls Logo

Leviton OSC20-MOW - Multi-Technology Sensor Installation and Wiring; Automatic Adjustments; Physical Wiring

Leviton OSC20-MOW
36 pages
Print Icon
To Next Page IconTo Next Page
To Next Page IconTo Next Page
To Previous Page IconTo Previous Page
To Previous Page IconTo Previous Page
Loading...
Leviton Mfg. Co., Inc.
59-25 Little Neck Pkwy • Little Neck, NY 11362-2591 • Tech Line: 1-800-824-3005 • Fax: 1-800-832-9538
Visit our Website at: www.leviton.com
AUTOMATIC ADJUSTMENTS
The automatic timer and automatic sensitivity features of the ODCxx-MOW work independently to prevent “false-offs” and “false-ons.” When the
sensor detects motion immediately after it turns the lights out, a “false-off” is detected, timer increased. If the sensor turns the lights on, but detects
no immediate follow-up motion, “false-on” is detected, timer is decreased.
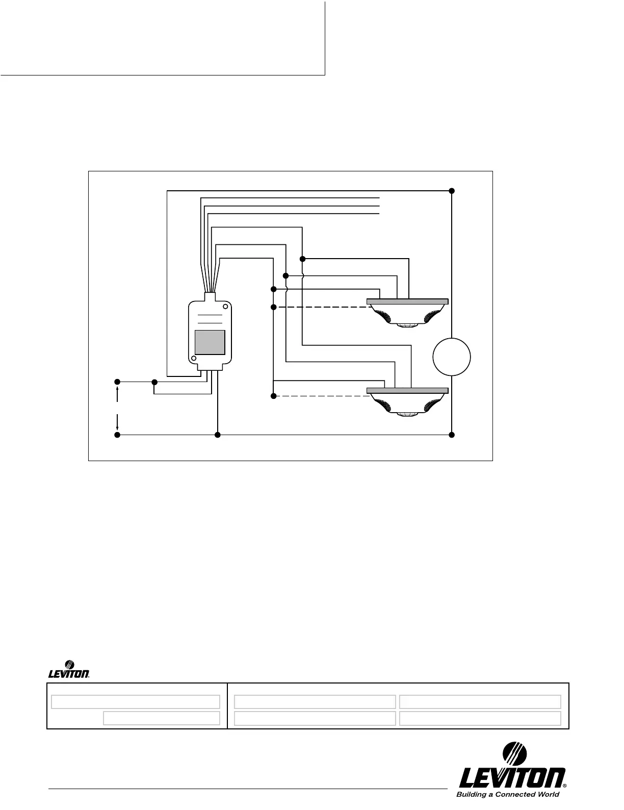
PHYSICAL WIRING
G-6987B/C4-tp
Load
Sensor
OSPxx Series Power Pack
Black White
Neutral (White)
Hot
Black
Blue
Blue
Black
White
Red
Black
Blue*
(occupancy)
Red
Black
Blue*
(occupancy)
Gray*
(photocell
+ occupancy)
Gray*
(photocell
+ occupancy)
Red (24VDC)
Black
Blue
(control)
NC-Brown
Common-Green
NO-Brown/White
To HVAC System
120/277/347
VAC60Hz
Line
OSCxx-MOW
.........................
Product
Specifications
4
JOB NAME:
JOB NUMBER:
CATALOG NUMBERS:
SPECIFICATION SUBMITTAL
*When the photocell function is not being used, connect the Blue Occupancy Sensor lead to the Blue Power Pack lead. When using the Photocell
function, connect the Gray Occupancy Sensor lead to the Blue Power pack lead–Do not use the Blue Occupancy Sensor lead for the photocell function.

Related product manuals