EasyManua.ls Logo

Lexmark M1145 - Page 400

Lexmark M1145
400 pages
Print Icon
To Previous Page IconTo Previous Page
To Previous Page IconTo Previous Page
Loading...
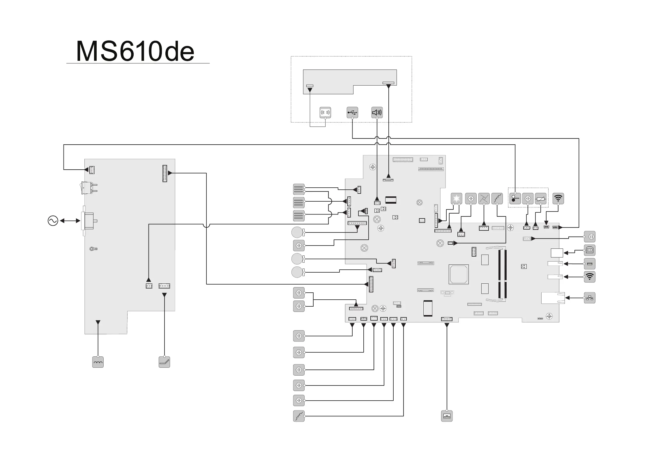
WIRING DIAGRAM
JP_PRE1
JINDEX1
JACM1
JMPF1 JT_PRE1 J24
JDUPP1
JPS1
JLIFT1
JRESET
JNRW1
JHDD1
JISP1
JOPT1
JFAX1
JURFW1 JUAREG1
JT3
J2
JSWISH1
J47
J1
J43
JMCLR1
JBINS1
JTHM1
JEXIT1
JFAN1
JTAG1
J20
J10
J44
JLSU1
J6
JFBM1
JFAN2
JCIS1
JHOME1
JPLEN1
JADF1
JUICC
JCTLS1
JARW2JARW1
JMTR1
JTDS
JBT2
JBT1
JAUD1
JBT3
JCART1
J4
JSWISS1
J56
FUSER ASSEMBLY
MAIN MOTOR
TONER CARTRIDGE MOTOR
LIFT PLATE MOTOR
PCN1
PCN5
Sw1
PCN6
PCN7
PCN4
PCN3 PCN2
POWER SUPPLY
LASER SCANNING UNIT
FRONT COVER SENSOR
FAN
REVERSE SOLENOID
WIRELESS OPTION
USB MALE PI
USB TYPE A
WIRELESS OPTION
ETHERNET
SPEAKER
J3
J2
OPERATOR PANEL
OP PANEL USBTOUCH SCREEN
UICC
TONER LEVEL SENSOR
CARTRIDGE SMARTCHIP CONTACTS
IMAGING UNIT SMARTCHIP CONTACTS
INPUT SENSOR
DUPLEX SENSOR
PAPER HANDLING OPTIONS
AUTOCONNECT
TRANSFER ROLL SPRING
JT_PRE1
JMPF1
JACM1
JINDEX1
JP_PRE1
INDEX SENSOR
TRAILING EDGE SENSOR
MPF SENSOR
TRAY PRESENT SENSOR
MEDIA PRESENT SENSOR
MPF SOLENOID
NARROW MEDIA /
BIN FULL SENSOR
IMAGING UNIT CONTACTS
( OPC & CHARGE )
TONER DENSITY SENSOR

Table of Contents

Other manuals for Lexmark M1145

Related product manuals