EasyManua.ls Logo

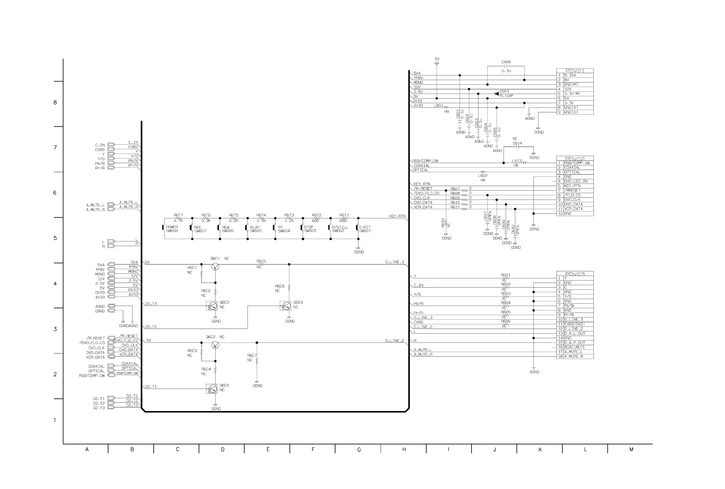
LG DVS7905 - Audio Circuit Diagram

LG DVS7905
145 pages
Print Icon
To Next Page IconTo Next Page
To Next Page IconTo Next Page
To Previous Page IconTo Previous Page
To Previous Page IconTo Previous Page
Loading...
3-83 3-84
3. AUDIO CIRCUIT DIAGRAM

Table of Contents

Related product manuals