EasyManua.ls Logo

LG FA163 - System Block Diagram

LG FA163
69 pages
Print Icon
To Next Page IconTo Next Page
To Next Page IconTo Next Page
To Previous Page IconTo Previous Page
To Previous Page IconTo Previous Page
Loading...
3-18
Copyright © 2008 LG Electronics. Inc. All right reserved.
Only for training and service purposes
LGE Internal Use Only
S-24CS16A01_EEPROM IC
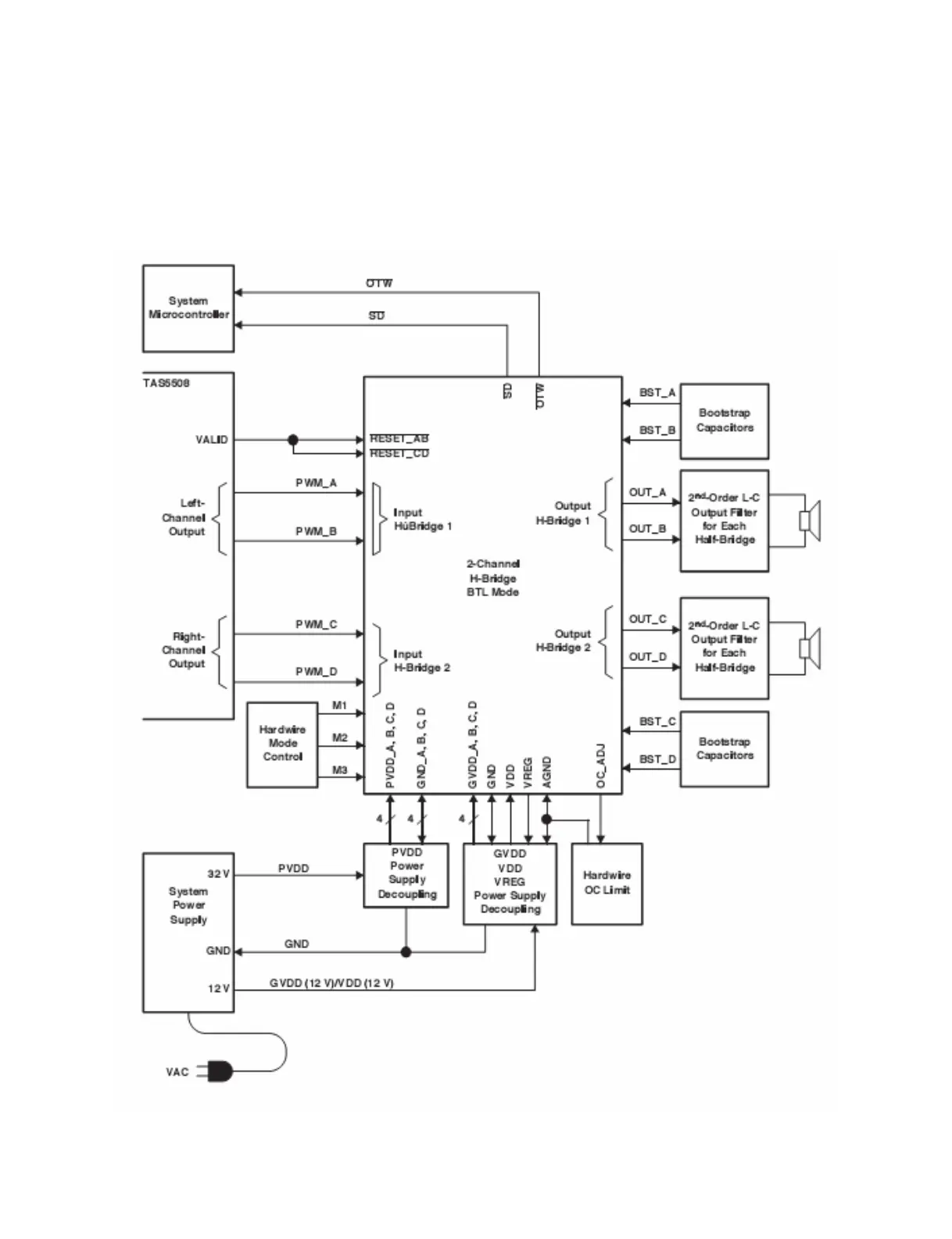
SYSTEM BLOCK DIAGRAM
jomi

Other manuals for LG FA163

Related product manuals