EasyManua.ls Logo

LG FA163 - Typical Connection Diagram

LG FA163
69 pages
Print Icon
To Next Page IconTo Next Page
To Next Page IconTo Next Page
To Previous Page IconTo Previous Page
To Previous Page IconTo Previous Page
Loading...
3-4
Copyright © 2008 LG Electronics. Inc. All right reserved.
Only for training and service purposes
LGE Internal Use Only
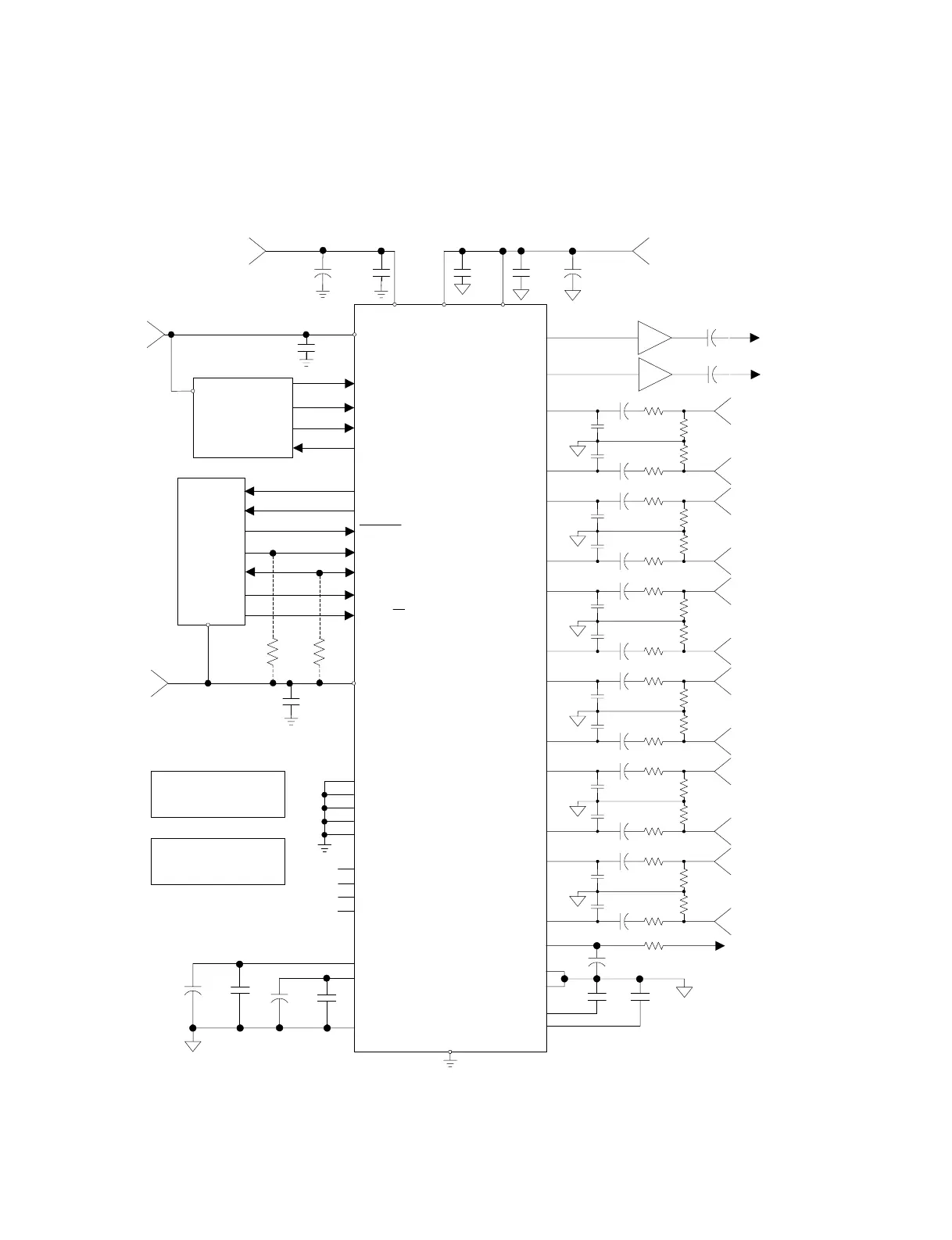
1. CS5345_DATASHEET
• TYPICAL CONNECTION DIAGRAM
VLS
0.1 F
+1.8V
to +5
V
DGND
VL
C
0.1 F
+1.8V
to +5
V
SCL/CCLK
SDA/CDOUT
AD1/CDIN
R
ESET
2 k
See Note 1
AGND
AD0/C
S
Note 1: Resistors are required
for I≤C control port operation
Micro-
Controll
er
0.1 F
VA
* Capacitors must be C0G or equivalent
Digital Audio
Capture
LRCK
SDOUT
MCLK
SCL
K
PGAOUT
A
PGAOUT
B
2.2nF
AFILTA
AFILT
B
OVFL
2.2nF
3.3 F
3.
3 F
47 F
0.1 F
VQ
FILT+
10 F
AGN
D
**
2 k
IN
T
47 F
AIN1A
Left Analog Input
1
10 F
10 F
1800 pF
1800 pF
100
100
100
100
AIN1B
Right Analog Input
1
AIN2A
Left Analog Input
2
10 F
10 F
1800 pF
1800 pF
100
100
100
100
AIN2B
Right Analog Input
2
AIN3A
Left Analog Input
3
10 F
10 F
1800 pF
1800 pF
100
100
100
100
AIN3B
Right Analog Input
3
AIN4A/MICIN1
Left Analog Input
4
10 F
10 F
1800 pF
1800 pF
100
100
100
100
AIN4B/MICIN2
Right Analog Input
4
AIN5A
Left Analog Input
5
10 F
10 F
1800 pF
1800 pF
100
100
100
100
AIN5B
Right Analog Input
5
AIN6A
Left Analog Input
6
10 F
10 F
1800 pF
1800 pF
100
100
100
100
AIN6B
Right Analog Input
6
MICBIAS
AGN
D
0.1
F
*
*
*
*
*
*
*
*
*
*
*
*
NC
NC
NC
NC
NC
TSTI
TSTO
TSTO
TST
O
10
F
+3.3V to +5
V
0.1 F
10
F
0.1 F
VA
VD
+3.3V to +5V
R
L
R
L
See Note 2
Note 2 The value of R
L
is
dictated by the microphone
carteridge.
jomi

Other manuals for LG FA163

Related product manuals