EasyManua.ls Logo

LG FA163 - Page 36

LG FA163
69 pages
Print Icon
To Next Page IconTo Next Page
To Next Page IconTo Next Page
To Previous Page IconTo Previous Page
To Previous Page IconTo Previous Page
Loading...
3-21
Copyright © 2008 LG Electronics. Inc. All right reserved.
Only for training and service purposes
LGE Internal Use Only
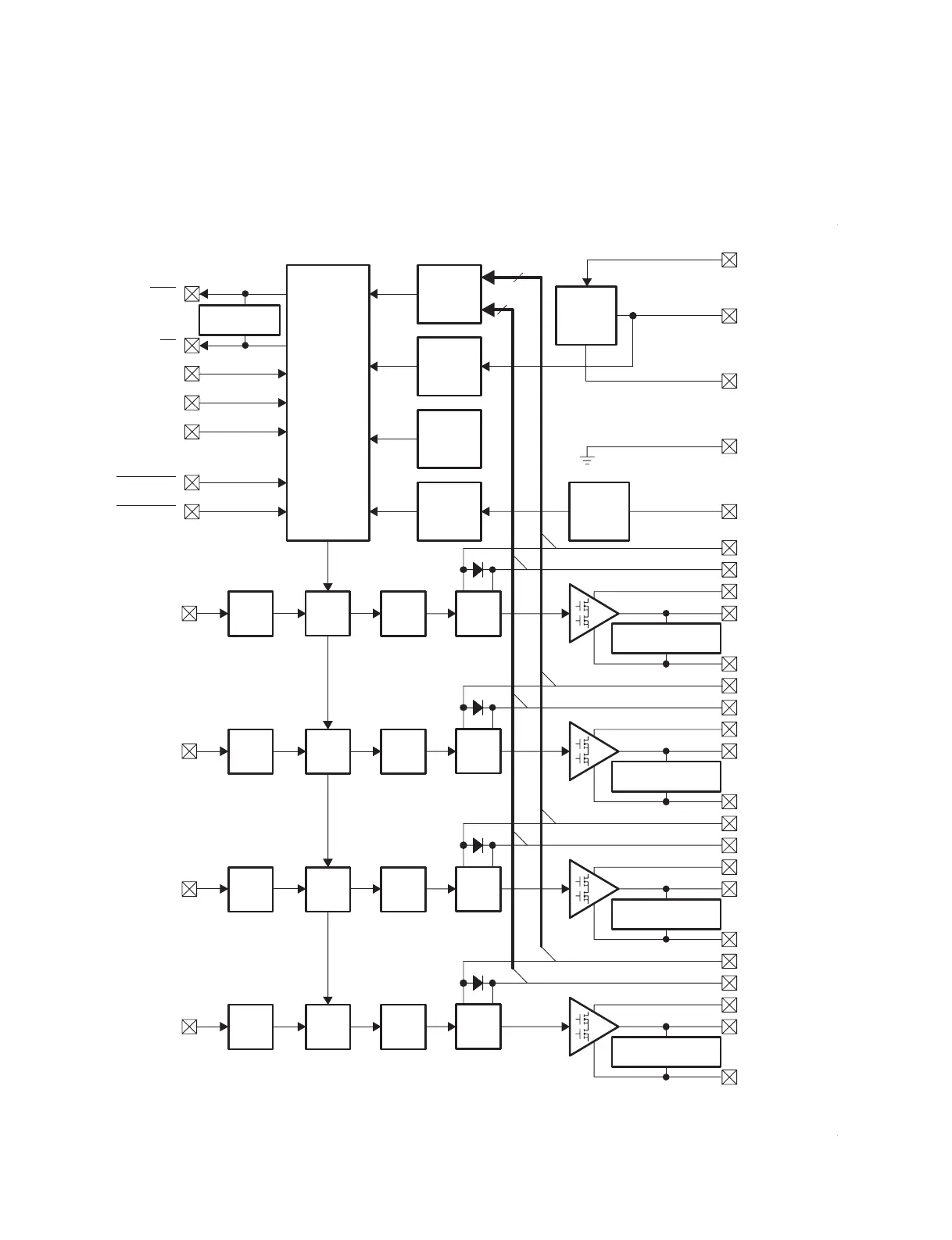
9. PT6324
FUNCTIONAL BLOCK DIAGRAM
Temp.
Sense
M1
M2
RESET_AB
SD
OTW
AGND
OC_ADJ
VREG VREG
VDD
M3
Power
On
Reset
Under-
voltage
Protection
GND
PWM_D OUT_D
GND_D
PVDD_D
BST_D
Timing
Gate
Drive
PWM
Rcv.
Overload
Protection
I
sense
GVDD_D
RESET_CD
4
Protection
and
I/O Logic
PWM_C OUT_C
GND_C
PVDD_C
BST_C
Timing
Gate
Drive
Ctrl.
PWM
Rcv.
GVDD_C
PWM_B OUT_B
GND_B
PVDD_B
BST_B
Timing
Gate
Drive
Ctrl.
PWM
Rcv.
GVDD_B
PWM_A OUT_A
GND_A
PVDD_A
BST_A
Timing
Gate
Drive
Ctrl.
PWM
Rcv.
GVDD_A
Ctrl.
BTL/PBTLConfiguration
Pulldown Resistor
BTL/PBTLConfiguration
Pulldown Resistor
BTL/PBTLConfiguration
Pulldown Resistor
BTL/PBTLConfiguration
Pulldown Resistor
Internal Pullup
Resistors to VREG
B0034-03
4
jomi

Other manuals for LG FA163

Related product manuals