EasyManua.ls Logo

LG FA163 - ADC, SERVO, AND FRONT CIRCUIT SCHEMATICS

LG FA163
69 pages
Print Icon
To Next Page IconTo Next Page
To Next Page IconTo Next Page
To Previous Page IconTo Previous Page
To Previous Page IconTo Previous Page
Loading...
3-51 3-52
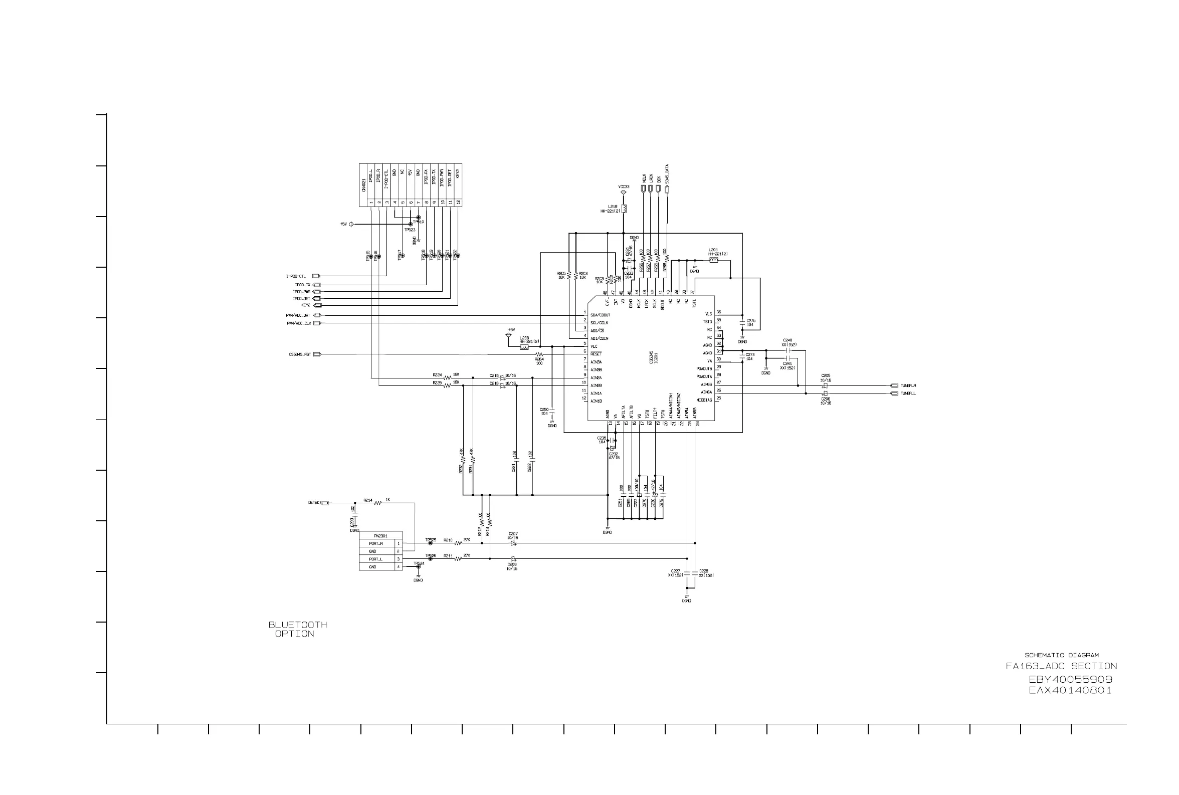
5. ADC SCHEMATIC DIAGRAM
2008.02.26
A
1
2
3
4
5
6
7
8
9
10
11
12
B C D E F G H I J K L M N O P Q R ST
Copyright © 2008 LG Electronics. Inc. All right reserved.
Only for training and service purposes
LGE Internal Use Only
jomi

Other manuals for LG FA163

Related product manuals