EasyManua.ls Logo

LG Flatron LCD 575LE

LG Flatron LCD 575LE
35 pages
To Next Page IconTo Next Page
To Next Page IconTo Next Page
To Previous Page IconTo Previous Page
To Previous Page IconTo Previous Page
Loading...
- 34 -
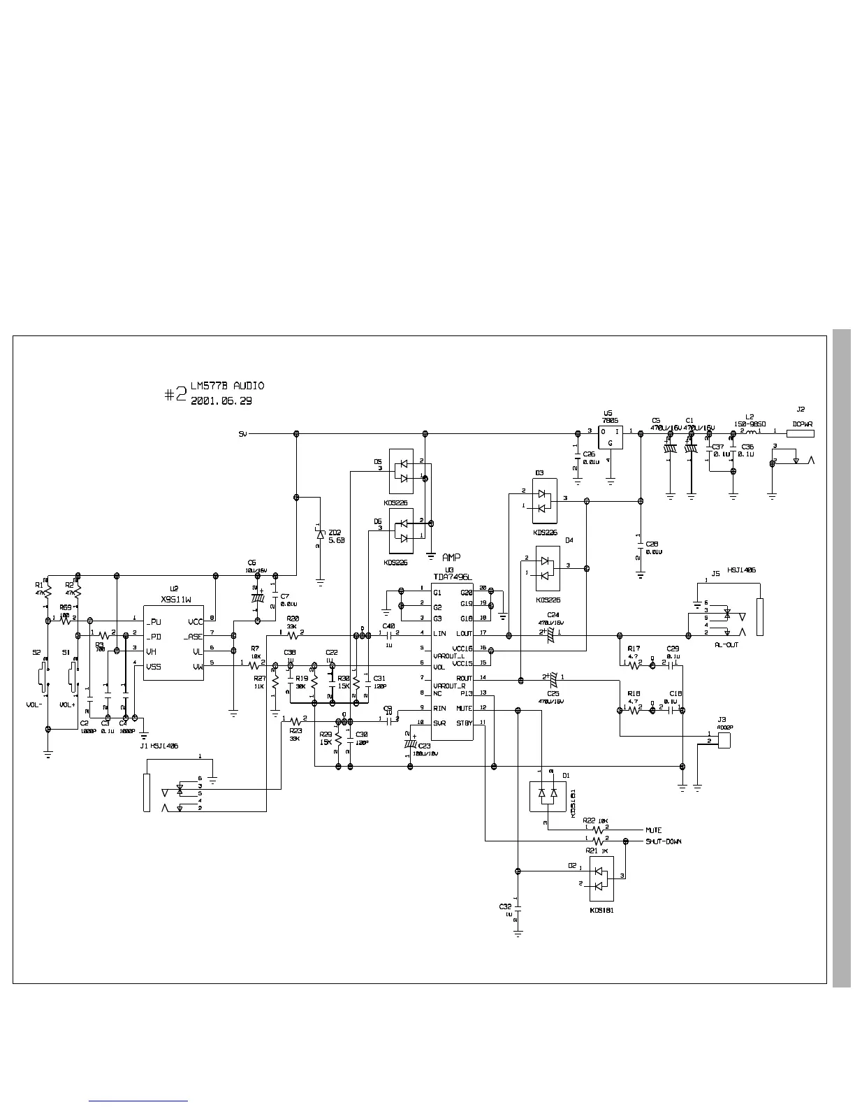
7. AUDIO

Related product manuals