EasyManua.ls Logo

LG Flatron LCD 575LE

LG Flatron LCD 575LE
35 pages
To Previous Page IconTo Previous Page
To Previous Page IconTo Previous Page
Loading...
- 35 -
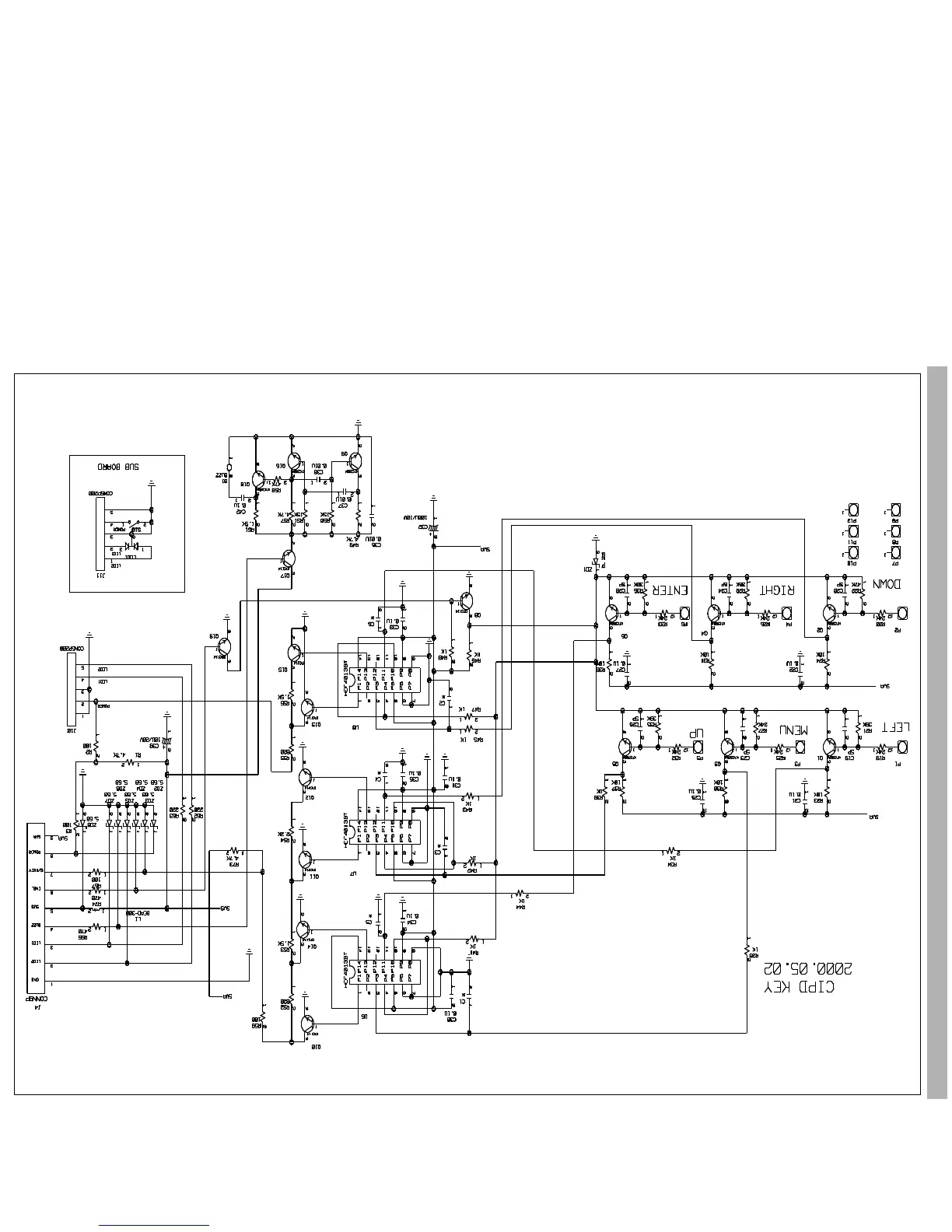
8. KEY CONTROL

Related product manuals