EasyManua.ls Logo

LG KU950 - 6 Block Diagram; GSM & WCDMA RF Block

LG KU950
221 pages
Print Icon
To Next Page IconTo Next Page
To Next Page IconTo Next Page
To Previous Page IconTo Previous Page
To Previous Page IconTo Previous Page
Loading...
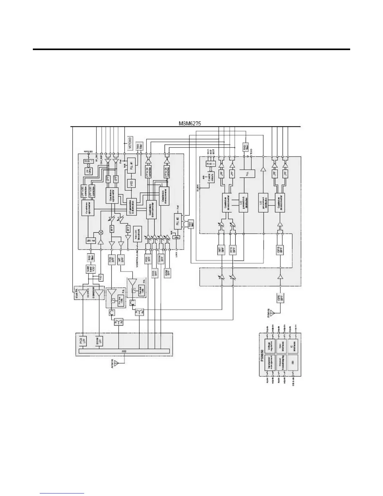
6.1 GSM & WCDMA RF Block
6. BLOCK DIAGRAM
- 156 -
6. BLOCK DIAGRAM
Fig 2.1-1.UMTS-2100 + EGSM-900/DCS-1800/PCS-1900 RF Functional Block Diagram

Table of Contents

Related product manuals