EasyManua.ls Logo

LG KU950 - Page 20

LG KU950
221 pages
Print Icon
To Next Page IconTo Next Page
To Next Page IconTo Next Page
To Previous Page IconTo Previous Page
To Previous Page IconTo Previous Page
Loading...
3. TECHNICAL BRIEF
- 21 -
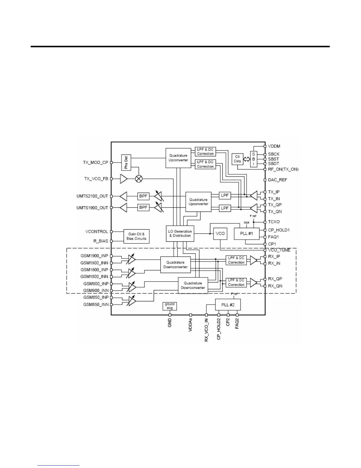
The amplifier outputs drive the RF ports of the quadrature RF-to-baseband downconverters. The
downconverted baseband outputs are multiplexed and routed to lowpass filters (one I and one Q)
having passband and stopband characteristics suitable for GMSK processing. These filter circuits
include DC offset corrections. The filter outputs are buffered and passed on to the MSM6275 IC for
further processing (an interface shared with the RFR6250 UMTS receiver outputs).

Table of Contents