EasyManua.ls Logo

LG KU950 - Page 23

LG KU950
221 pages
Print Icon
To Next Page IconTo Next Page
To Next Page IconTo Next Page
To Previous Page IconTo Previous Page
To Previous Page IconTo Previous Page
Loading...
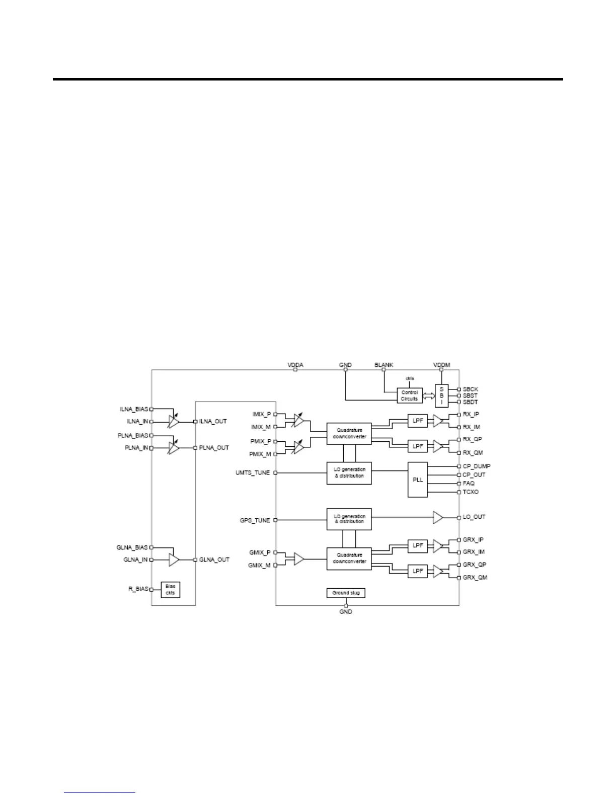
The amplifier output drives the RF port of the quadrature RF-to-baseband downconverter. The down-
converted baseband outputs are routed to low-pass filters (one I and one Q) having pass-band and
stop-band characteristics suitable for DS-WCDMA processing. The filter outputs are buffered and
passed on to the MSM6275 IC for further processing. This baseband interface is shared with the
RTR6250 GSM receiver outputs.
The RFR6250 IC includes LO generation and distribution circuitry to reduce off-chip component
requirements. The GPS RX LO source is created using the PLL control elements of the RTR6250
PLL2, via a discrete loop filter components, in tandem with the VCO in the RFR6250. Using only this
PLL signal, the RFR6250 LO generation and distribution circuits create the necessary LO signals for
the UMTS quadrature down-converter. By definition, the ZIF down-converter requires F
LO
equal to F
RF
,
and the RTR6250/RFR6250 design achieves this without allowing F
VCO
to equal F
RF
.
3. TECHNICAL BRIEF
- 24 -
Figure 3.3.1-1 RFR6250 IC functional block diagram

Table of Contents

Related product manuals