EasyManua.ls Logo

LG LCS110AR - Connecting to a car

LG LCS110AR
20 pages
Print Icon
To Next Page IconTo Next Page
To Next Page IconTo Next Page
To Previous Page IconTo Previous Page
To Previous Page IconTo Previous Page
Loading...
Connecting 9
Connecting
2
Connection
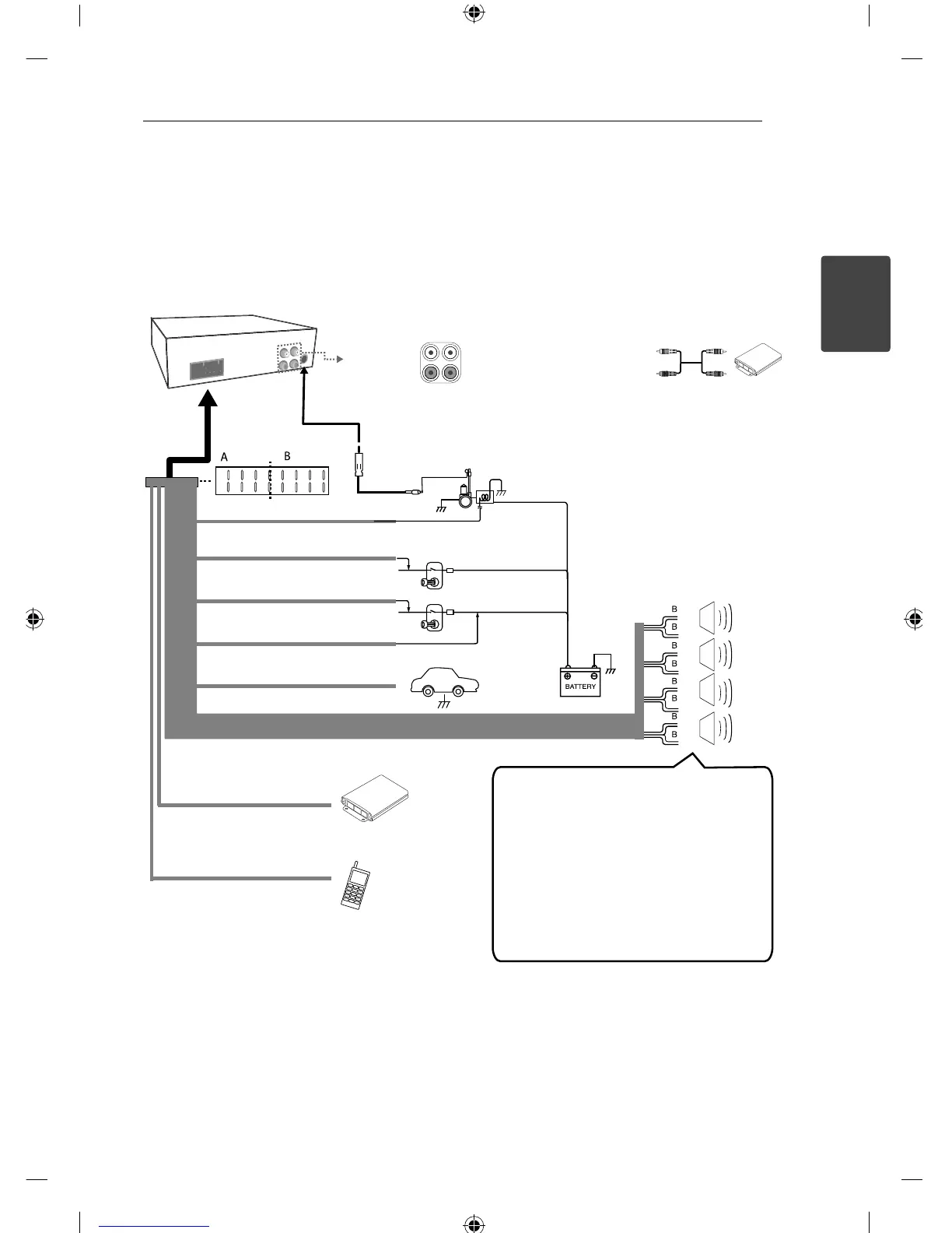
Connecting to a car
Before installing, make sure that the ignition-switch is set to OFF and remove the terminal of the car battery
to avoid short-circuiting.
abcd
efgh
abcd
efgh
a
b
c
d
e
f
g
h
B
a
Violet/ Black Stripe: Rear Right -
B
b
Violet: Rear Right +
B
c
Gray/ Black Stripe: Front Right -
B
d
Gray: Front Right +
B
e
Green/ Black Stripe: Rear Left -
B
f
Green: Rear Left +
B
g
White/ Black Stripe: Front Left -
B
h
White: Front Left +
Power
Antenna
Control Relay
To Audio out
(OPTIONAL)
To Audio in
(OPTIONAL)
Amplifer
(OPTIONAL)
Front Left Rear Left (Sub-woofer Left)
Front Right Rear Right (Sub-woofer Right)
*Sub-woofer is optional.
Amplifer
(OPTIONAL)
A
h
Power Antenna (Blue)
A
g
Dimmer (Pink)
A
b
To Ignition (Red)
A
e
Ground (-) (Black)
A
a
To Battery (+) (Yellow)
A
c
Remote On (Blue/ White)
(OPTIONAL)
A
d
Phone Mute (Orange)
(OPTIONAL)
A
f
Not connected
Dimmer Switch
Ignition Switch

Related product manuals