EasyManua.ls Logo

LG LM50 2004-E1 - Page 41

LG LM50 2004-E1
78 pages
Print Icon
To Next Page IconTo Next Page
To Next Page IconTo Next Page
To Previous Page IconTo Previous Page
To Previous Page IconTo Previous Page
Loading...
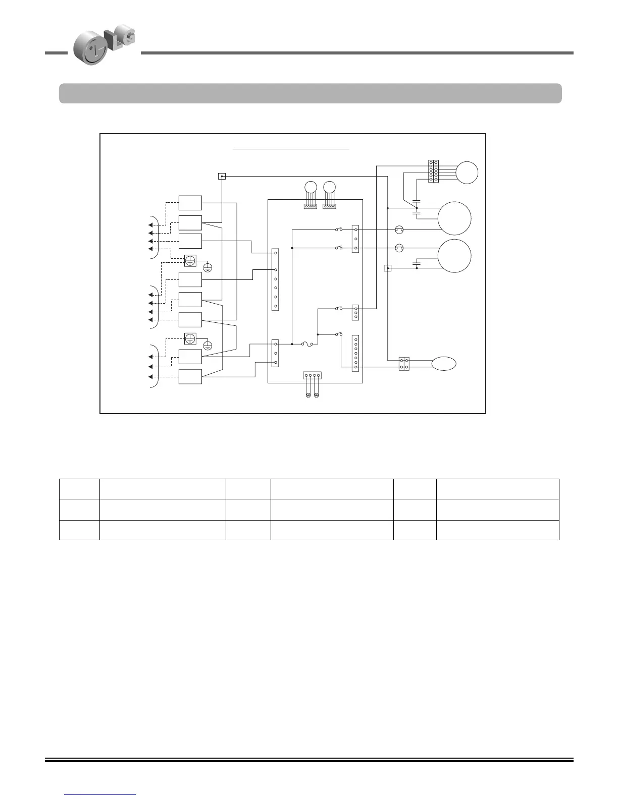
40 MPS Variable Multi Split System(50Hz, R410A)
8. Wiring Diagrams
A2UH186FA0
Notes:
BL BLUE BK BLACK BR BROWN
RD RED OR ORANGE WH WHITE
YL YELLOW GN/YL GREEN/YELLOW CN CONNECTOR

Related product manuals