EasyManua.ls Logo

LG Multi V CRUN Series - Page 52

LG Multi V CRUN Series
62 pages
Print Icon
To Next Page IconTo Next Page
To Next Page IconTo Next Page
To Previous Page IconTo Previous Page
To Previous Page IconTo Previous Page
Loading...
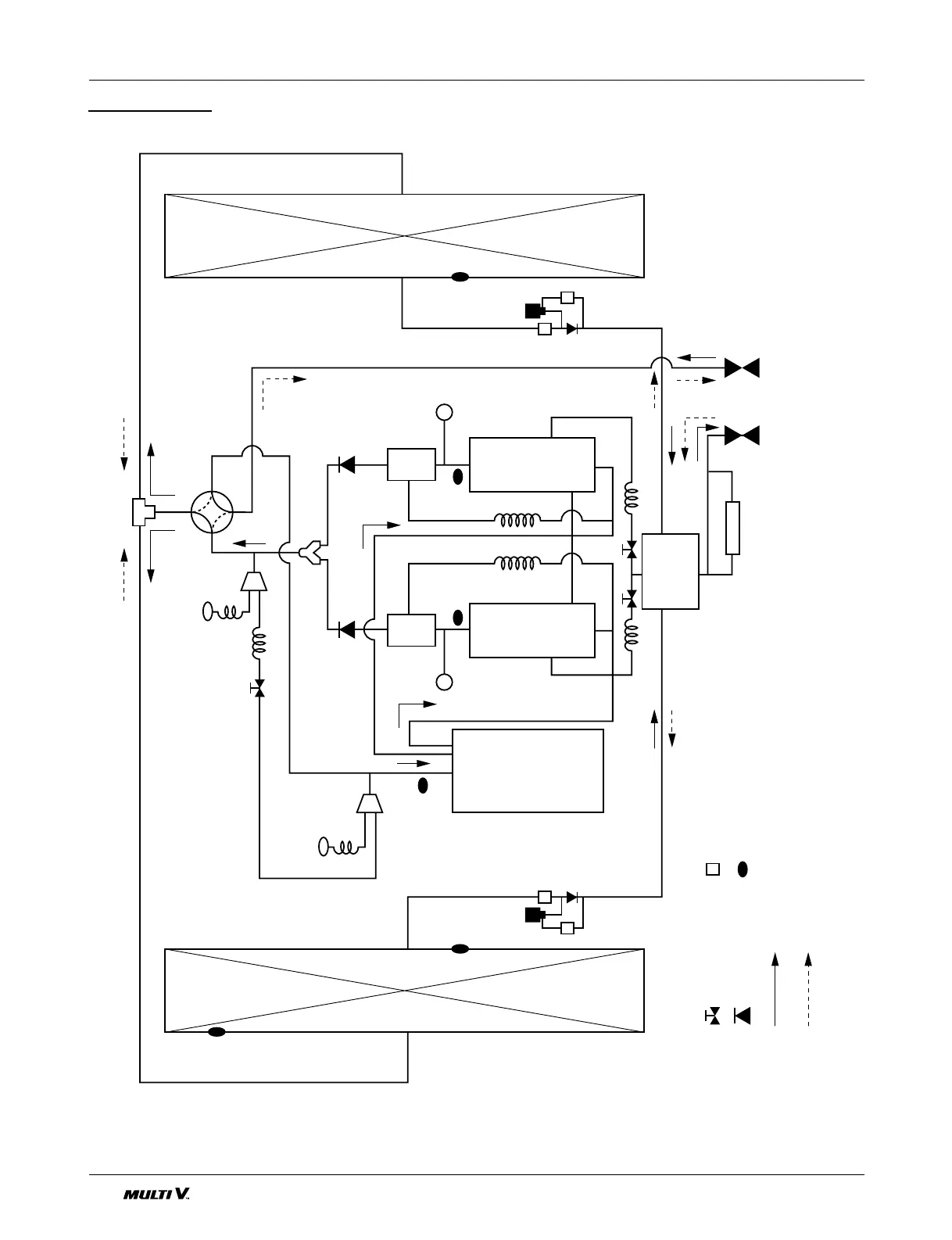
52 Outdoor Unit
Appendix
High
pressure
S/W
High
pressure
S/W
Oil separator
Oil
separator
Receiver
Dryer
LIQUID INJECTION
HOT GAS BYPASS
Accumulator
Low pressure
Sensor
Air TH
High pressure
Sensor
4way valve
LEV LEV
: Cooling
: Heating
: Solenoid valve
: Check valve
: Strainer
: Thermistor
Inverter
comp.
Normal
comp.
CR
UN1008T0

Other manuals for LG Multi V CRUN Series

Related product manuals