EasyManua.ls Logo

LG MULTI V WATER 5 ARW Series - 460 V Models

LG MULTI V WATER 5 ARW Series
85 pages
Print Icon
To Next Page IconTo Next Page
To Next Page IconTo Next Page
To Previous Page IconTo Previous Page
To Previous Page IconTo Previous Page
Loading...
WSU PRODUCT DATA | 29
Water Source Unit Product Data
Due to our policy of continuous product innovation, some specications may change without notication.
© LG Electronics U.S.A., Inc., Englewood Cliffs, NJ. All rights reserved. “LG ” is a registered trademark of LG Corp.
460V Models
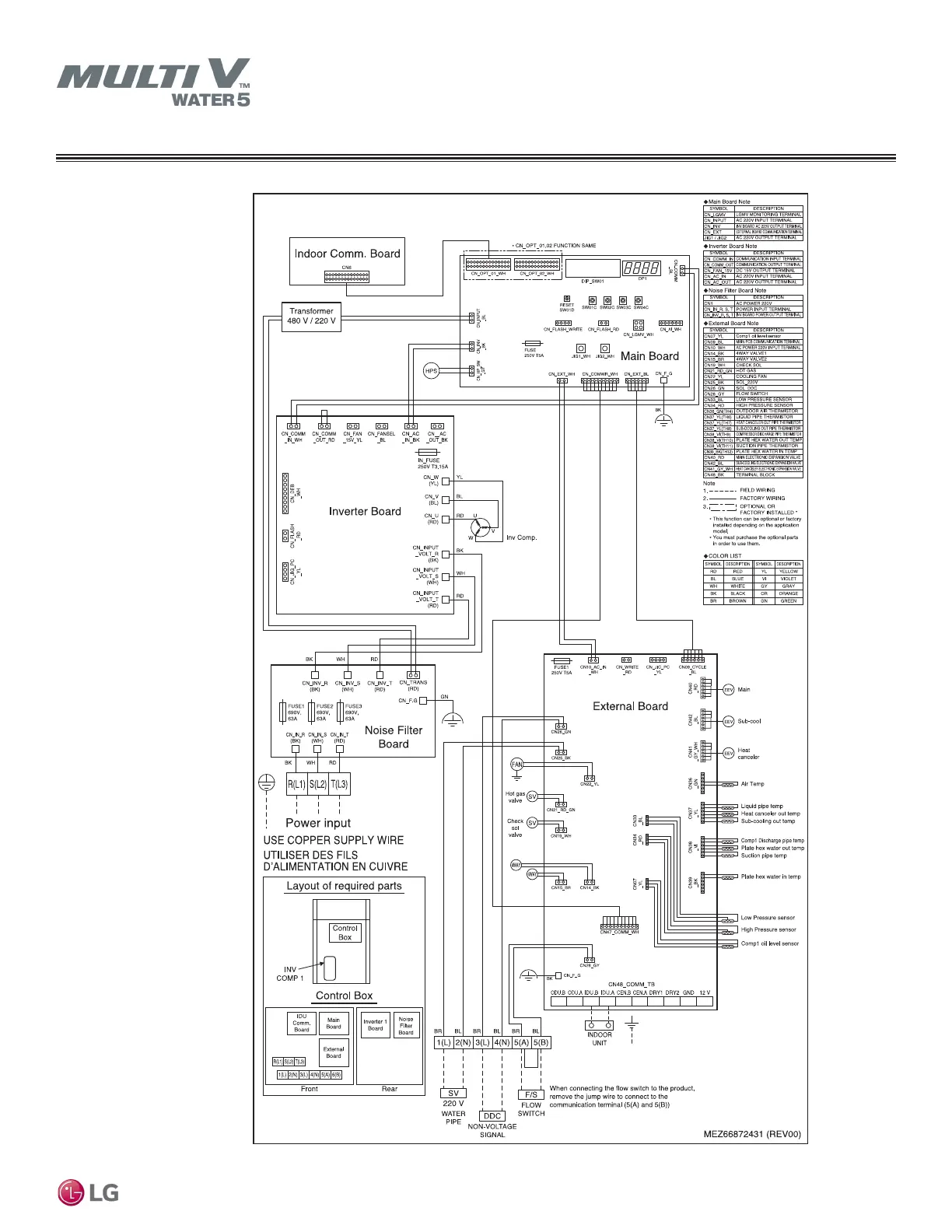
WIRING DIAGRAMS

Related product manuals