EasyManua.ls Logo

LG OM7550 - Top Circuit Diagram

LG OM7550
89 pages
Print Icon
To Next Page IconTo Next Page
To Next Page IconTo Next Page
To Previous Page IconTo Previous Page
To Previous Page IconTo Previous Page
Loading...
3-65 3-66
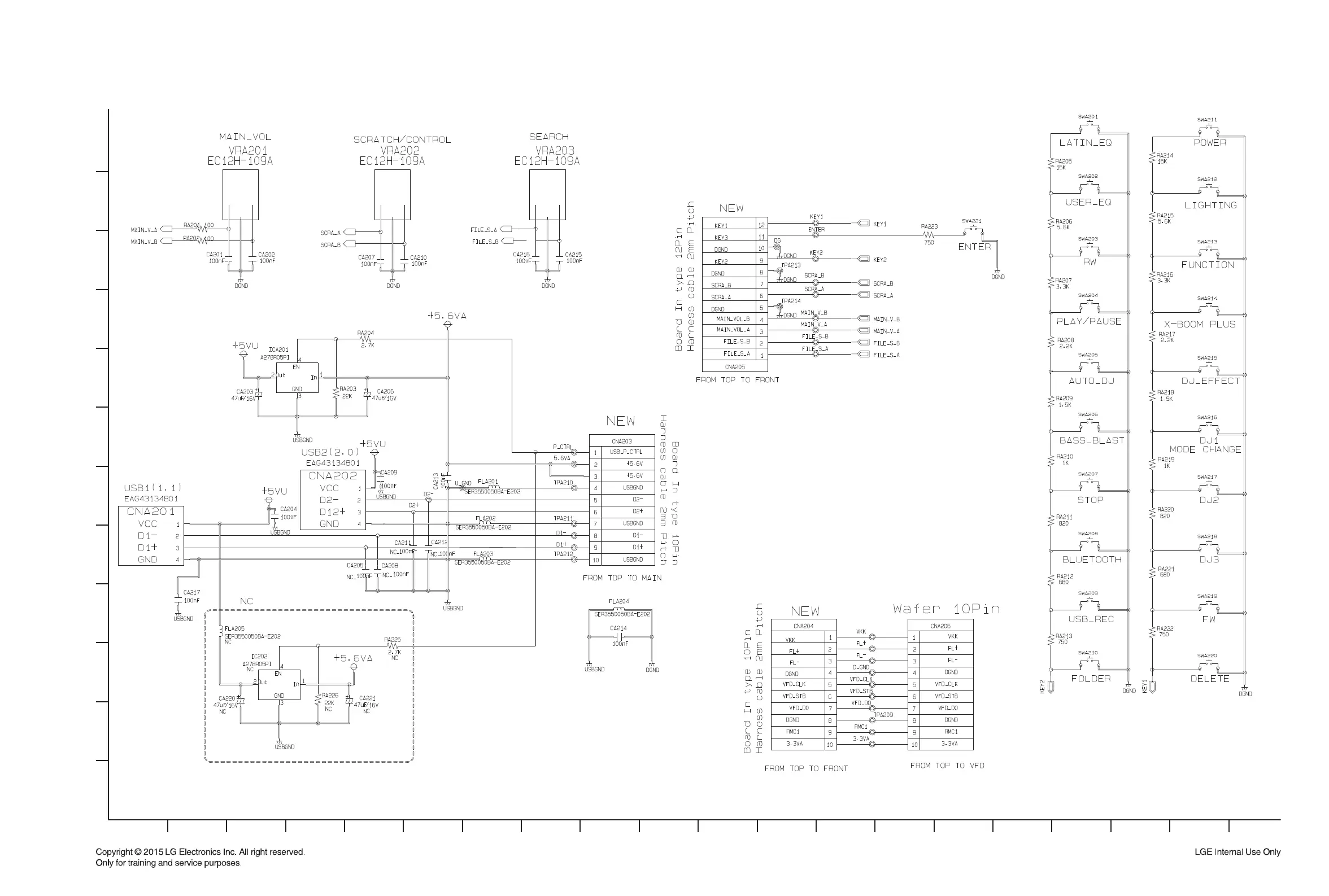
10. TOP CIRCUIT DIAGRAM
A
1
2
3
4
5
6
7
8
9
10
11
12
B C D E F G H I J K L M N O P Q R ST
TOP
EAX66450001-SD_Rev1.5_8
2015. 07. 29

Table of Contents

Other manuals for LG OM7550

Related product manuals