EasyManua.ls Logo

LG SHD3689BD - Wiring Diagram

LG SHD3689BD
35 pages
Print Icon
To Next Page IconTo Next Page
To Next Page IconTo Next Page
To Previous Page IconTo Previous Page
To Previous Page IconTo Previous Page
Loading...
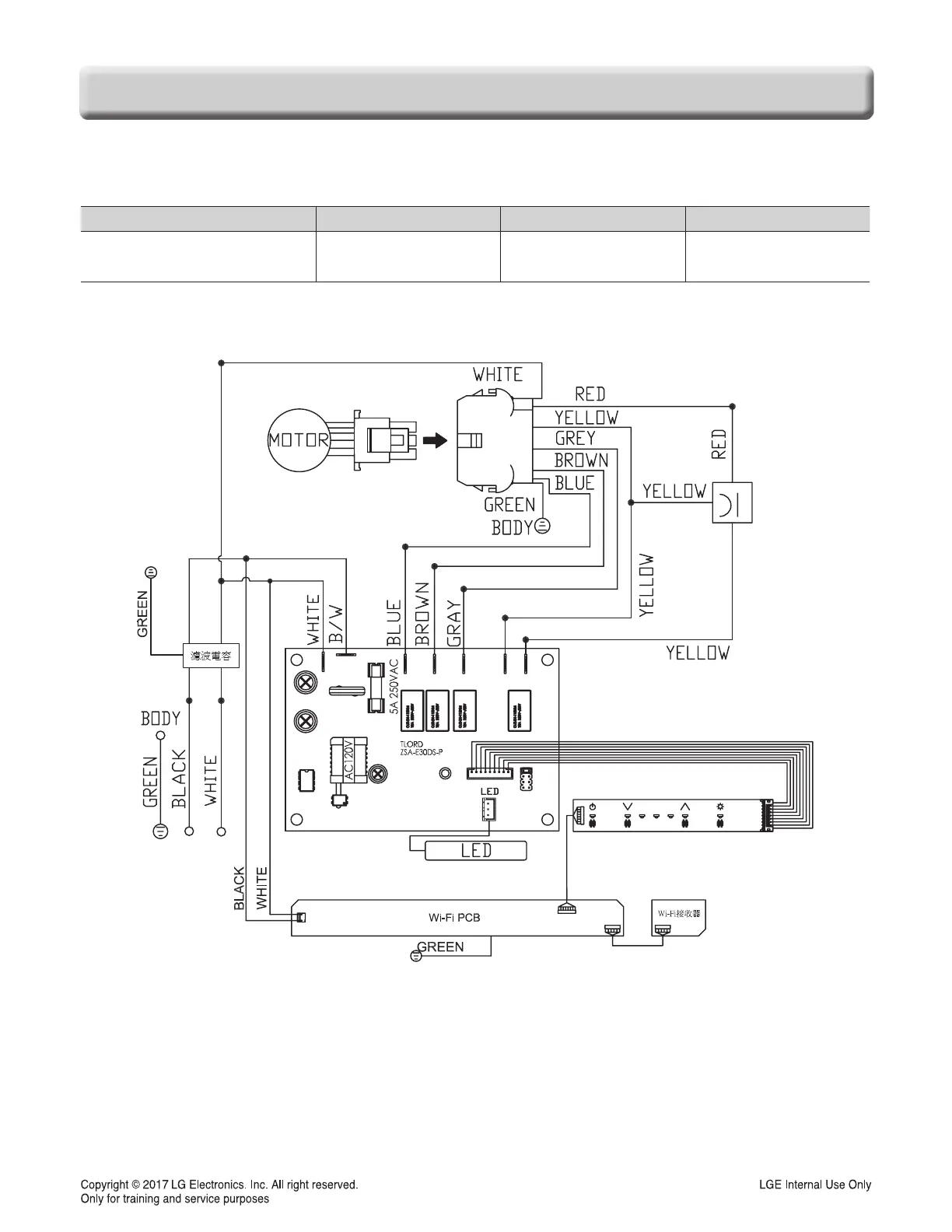
WIRING DIAGRAm
-18-
PARTS OF THE RANGE HOOD
Models Volts HZ MAX Amps
LSHD3689BD/LSHD3089BD
120 60 Single Motor 4
LSHD3680ST/LSHD3080ST
REMARKS:CONDENSER 12.5+12.5uF 250VAC FIT AC120V 60Hz
Wiring Diagram - Single Blower Models

Related product manuals