EasyManua.ls Logo

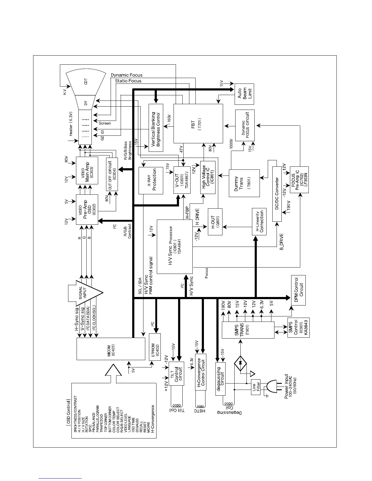
LG StudioWorks 900B - Block Diagram

LG StudioWorks 900B
34 pages
Print Icon
To Next Page IconTo Next Page
To Next Page IconTo Next Page
To Previous Page IconTo Previous Page
To Previous Page IconTo Previous Page
Loading...
BLOCK DIAGRAM
- 9 -

Related product manuals