EasyManua.ls Logo

LG Tri-Zone Multi F - Page 29

LG Tri-Zone Multi F
77 pages
To Next Page IconTo Next Page
To Next Page IconTo Next Page
To Previous Page IconTo Previous Page
To Previous Page IconTo Previous Page
Loading...
MULTI F OUTDOOR UNIT | 29
Multi F Outdoor Unit Data
'XHWRRXUSROLF\RIFRQWLQXRXVSURGXFWLQQRYDWLRQVRPHVSHFL¿FDWLRQVPD\FKDQJHZLWKRXWQRWL¿FDWLRQ
©/*(OHFWURQLFV86$,QF(QJOHZRRG&OLIIV1-$OOULJKWVUHVHUYHG³/*´LVDUHJLVWHUHGWUDGHPDUNRI/*&RUS
MULTI
F
MAX
MULTI
F
MULTI F OUTDOOR UNIT
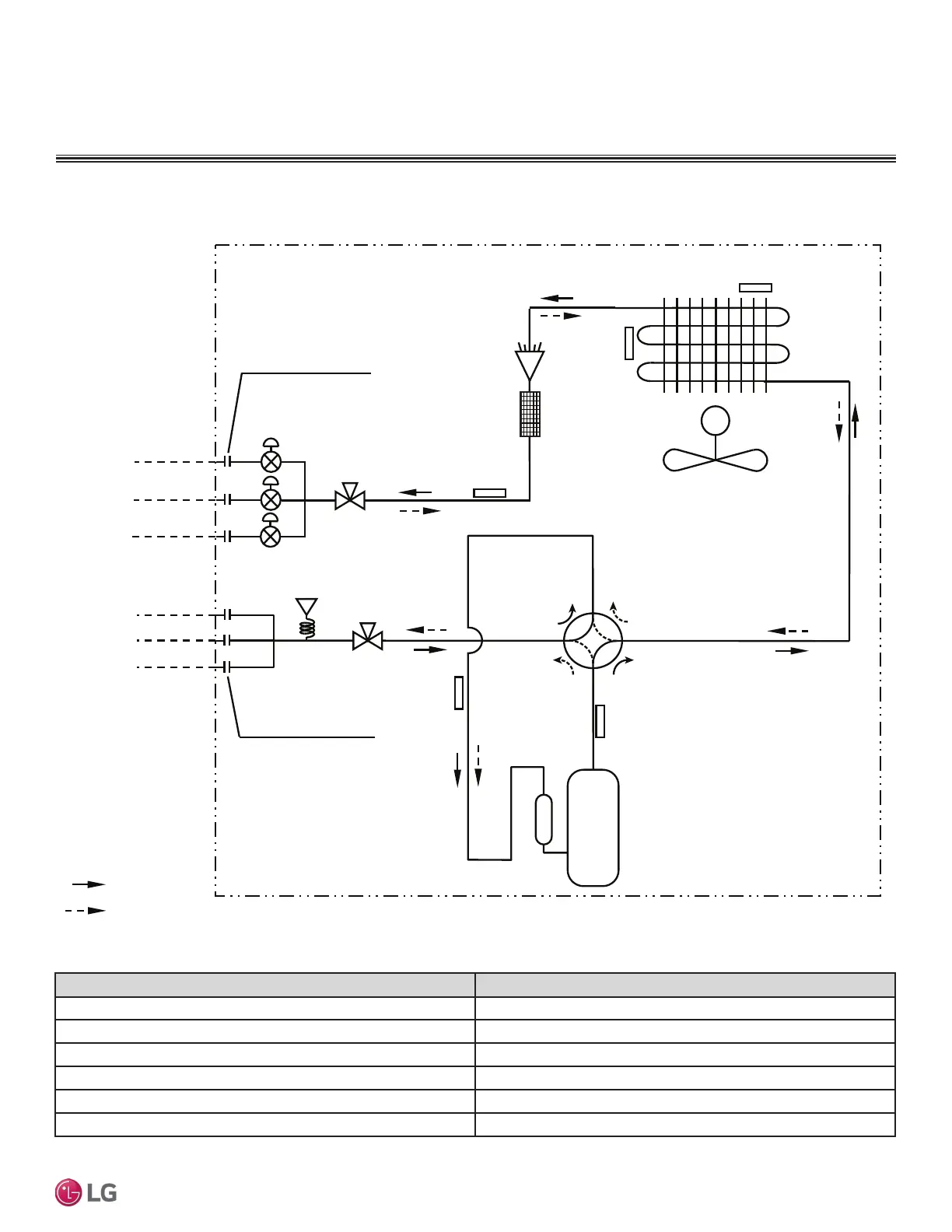
Refrigerant Flow Diagram
Table 18: LMU240HV and LMU24CHV Thermistor Details.
Figure 15: LMU240HV and LMU24CHV Refrigerant Flow Diagram.
M
Discharge
Temperature
Thermistor
Suction
Temperature
Thermistor
Inverter
Compressor
Electronic
Expansion
Valve
Condenser Outlet
Strainer
Temperature
Thermistor
Inlet Air
Temperature
Thermistor
Outdoor Unit
Flare Connection
Flare Connection
Condensing
Temperature
Thermistor
ROOM A
ROOM A
ROOM B
: Cooling
: Heating
ROOM B
ROOM C
Main SVC V/V
ROOM C
Main SVC V/V
Pressure
Sensor
Description PCB Connector
Condenser Outlet Temperature Thermistor CN_C/PIPE
Condensing Temperature Thermistor CN_MID
Inlet Air Temperature Thermistor CN_AIR
Discharge Temperature Thermistor CN_DISCHARGE
Suction Temperature Thermistor CN_SUCTION
Pressure Sensor CN_H_PRESS

Other manuals for LG Tri-Zone Multi F

Related product manuals