EasyManua.ls Logo

LG Tri-Zone Multi F - Page 30

LG Tri-Zone Multi F
77 pages
To Next Page IconTo Next Page
To Next Page IconTo Next Page
To Previous Page IconTo Previous Page
To Previous Page IconTo Previous Page
Loading...
'XHWRRXUSROLF\RIFRQWLQXRXVSURGXFWLQQRYDWLRQVRPHVSHFL¿FDWLRQVPD\FKDQJHZLWKRXWQRWL¿FDWLRQ
©/*(OHFWURQLFV86$,QF(QJOHZRRG&OLIIV1-$OOULJKWVUHVHUYHG³/*´LVDUHJLVWHUHGWUDGHPDUNRI/*&RUS
30 | MULTI F OUTDOOR UNIT
Multi F and Multi F MAX Heat Pump System Engineering Manual
MULTI
F
MAX
MULTI
F
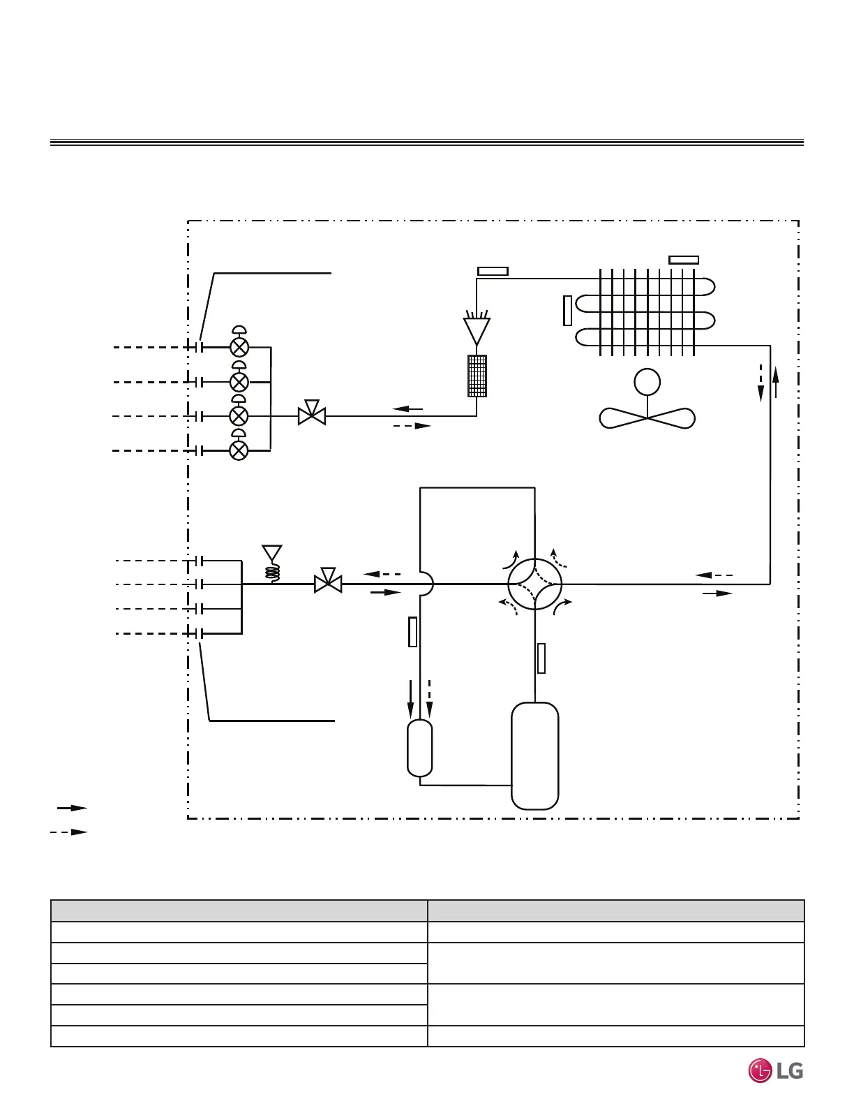
Figure 16: LMU30CHV and LMU36CHV Refrigerant Flow Diagram.
Table 19: LMU30CHV and LMU36CHV Thermistor Details.
MULTI F OUTDOOR UNIT
Refrigerant Flow Diagram
Description PCB Connector
Condensing Temperature Thermistor CN_TH4
Condenser Outlet Temperature Thermistor
CN_TH2
Inlet Air Temperature Thermistor
Discharge Temperature Thermistor
CN_TH3
Suction Temperature Thermistor
Pressure Sensor CN_TH1
M
Discharge
Temperature
Thermistor
Suction
Temperature
Thermistor
Inverter
Accumulator
Compressor
Electronic
Expansion
Valve
Strainer
Condenser Out
Temperature
Thermistor
Inlet Air
Temperature
Thermistor
Outdoor Unit
Flare Connection
Flare Connection
Condensing
Temperature
Thermistor
ROOM A
ROOM A
ROOM B
: Cooling
: Heating
ROOM B
ROOM C
ROOM D
Main SVC V/V
ROOM C
ROOM D
Main SVC V/V
Pressure
Sensor

Other manuals for LG Tri-Zone Multi F

Related product manuals