EasyManua.ls Logo

LGMG AS0607 - Page 60

Default Icon
68 pages
Print Icon
To Next Page IconTo Next Page
To Next Page IconTo Next Page
To Previous Page IconTo Previous Page
To Previous Page IconTo Previous Page
Loading...
www.lgmgeurope.com
AS0808 / AS0808E / AS0812 / AS0812E / AS1012 / AS1012E / AS1212 / AS1212E / AS1413
60
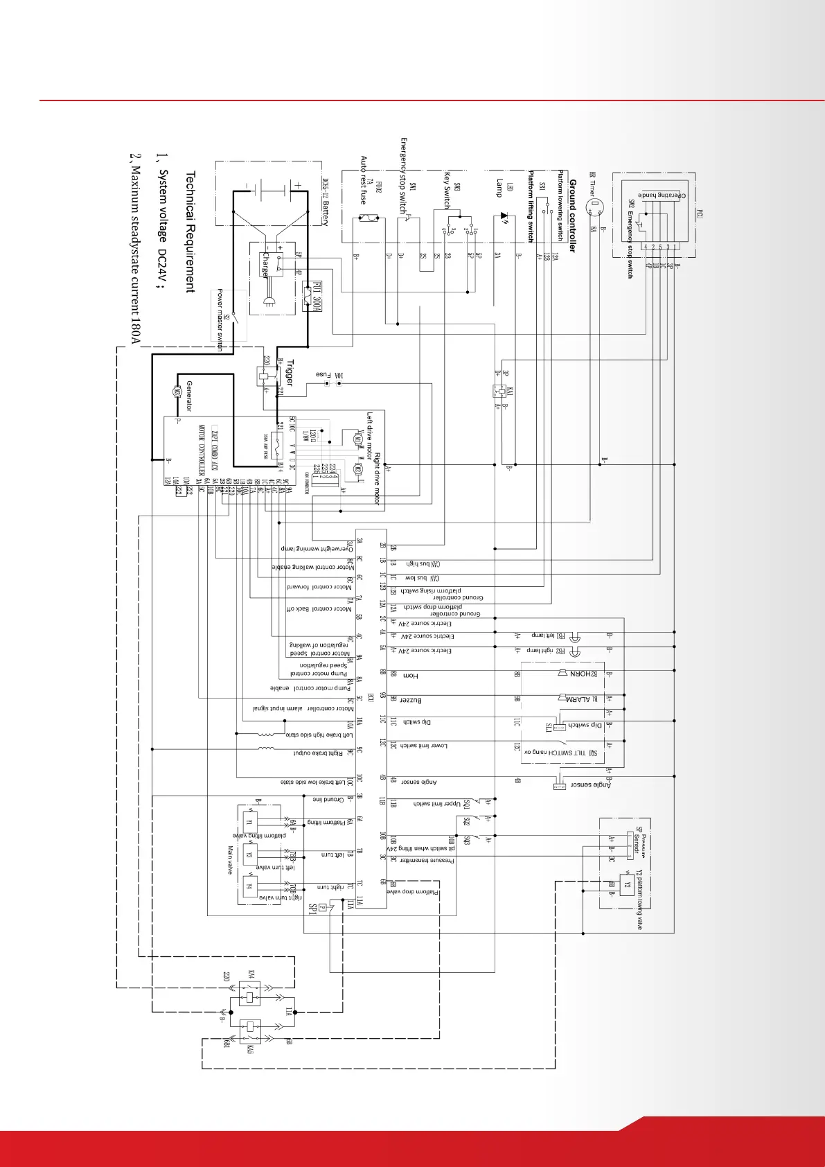
Chapter 12 - Electrical diagram
Operation Manual of Elevating Work Platform
98
• SS series Electric drive

Other manuals for LGMG AS0607

Related product manuals