EasyManua.ls Logo

LGMG AS0607 - Hydraulic Diagram

Default Icon
68 pages
Print Icon
To Next Page IconTo Next Page
To Next Page IconTo Next Page
To Previous Page IconTo Previous Page
To Previous Page IconTo Previous Page
Loading...
USER MANUAL - SS0407E / SS0507E / SS0607E / AS0607 / AS0607W / AS0607WE / AS0607E / AS0608 / AS0608E
61
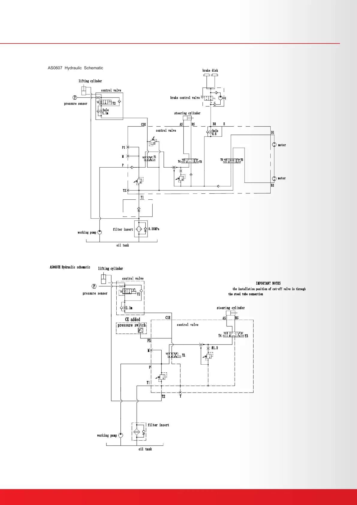
Chapter 13 - Hydraulic diagram
lifting cylinder
c o nt r o l v a l v e
P
hole
p r e s s u r e s en s o r
m o t o r
fi l t e r i n s e r t
0 . 2 5 M P a
s t e e r i n g c y l i n de r
b r a k e c o n t r o l v a l v e
b r a k e d is k
M
P 1
m o t o r
B 1
B 2
c o n t r o l v a l v e
T 2
T 1
P
B R E
A S
B S
C S E
Y1
Y4
Y3
Y5
Y6
w o r k i n g p u m p
o i l t a n k
Y 2
1.1m
hole
0.6
AS0607 Hydraulic Schematic
Operation Manual of Elevating Work Platform
90

Other manuals for LGMG AS0607

Related product manuals