EasyManua.ls Logo

LGMG AS0607 - Page 62

Default Icon
68 pages
Print Icon
To Next Page IconTo Next Page
To Next Page IconTo Next Page
To Previous Page IconTo Previous Page
To Previous Page IconTo Previous Page
Loading...
www.lgmgeurope.com
AS0808 / AS0808E / AS0812 / AS0812E / AS1012 / AS1012E / AS1212 / AS1212E / AS1413
62
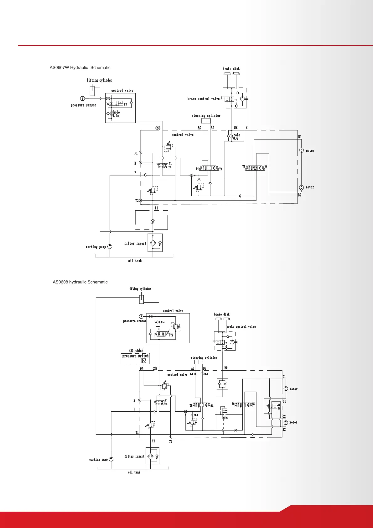
Chapter 13 - Hydraulic diagram
lifting cylinder
c o n t r o l va l v e
P
hole
pr e s s u r e se n s o r
m o t o r
f i l t e r i n s e r t
s t e e ri n g cy l i n d e r
b r a k e c o n t r o l v a l v e
b r a k e d i s k
M
P1
m o t o r
B 1
B 2
c o nt r o l v a l v e
T 2
T 1
P
B R E
A S
B S
C S E
Y1
Y4
Y3
Y5
Y6
w o r k i n g p u m p
o i l t a n k
Y 2
1.1m
hole
0.6
AS0607W Hydraulic Schematic
m o t o r
fi l t e r in s e r t
st e e r i n g cy l i n de r
br a k e c ont r o l v a l ve
bra k e d i sk
M
mo t o r
B 1
C2
B2
c o n t r o l va l v e
T 2
T 3
T 1
P
BR
A S
BS
CSE
C1
Y1
Y4
Y3
Y7
Y5
Y6
wor k i n g pu m p
oi l t a n k
ifting cylinder
Y2
co n t r o l v a l v e
P
pr e s s u r e s en s o r
PS
P
pressure switch
CE added
Φ
1.0
Φ
1.3
Φ
1.3
Φ
1.4
AS0608 hydraulic Schematic

Other manuals for LGMG AS0607

Related product manuals