EasyManua.ls Logo

LiftSmart MLC - Center Mast Assembly (2013-Current Models)

LiftSmart MLC
76 pages
Print Icon
To Next Page IconTo Next Page
To Next Page IconTo Next Page
To Previous Page IconTo Previous Page
To Previous Page IconTo Previous Page
Loading...
Parts & Service Manual
Part Number M00969C
MLC Construction Pro Series
42
Copyright © 2022 LiftSmart
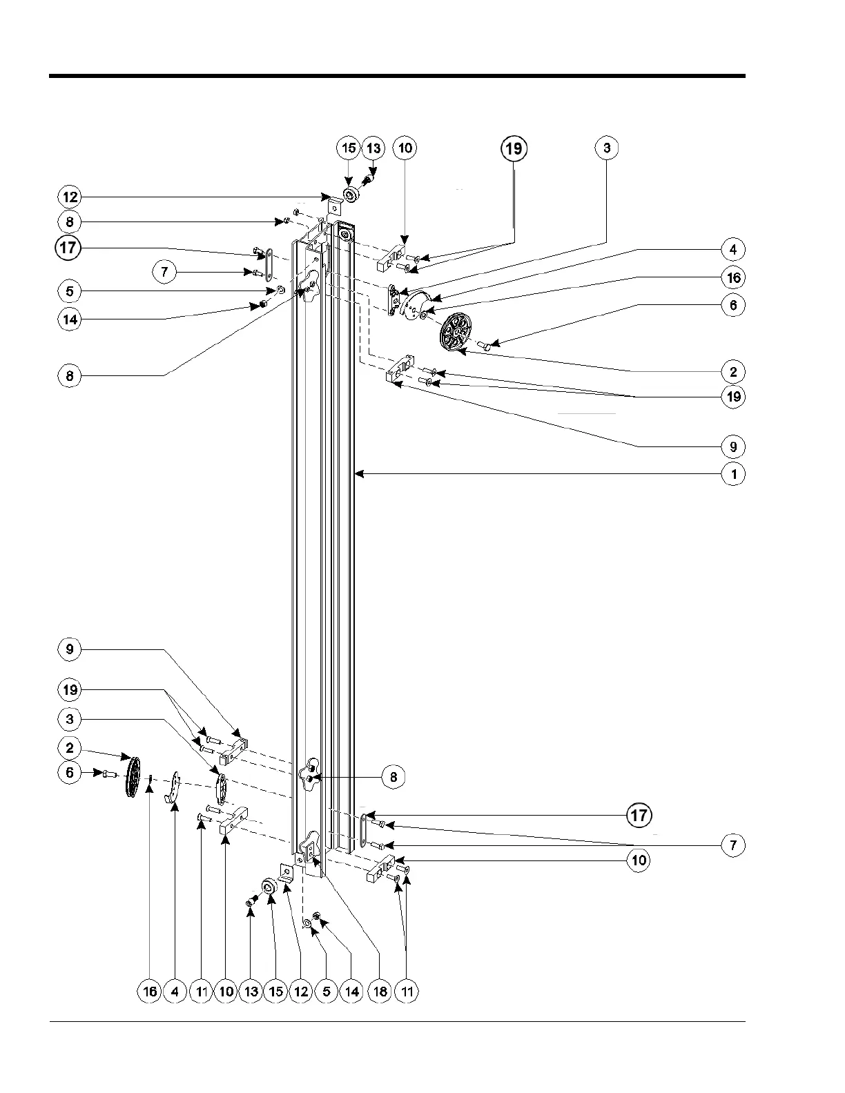
MAST ASSEMBLY (II) - CENTER MAST ASSEMBLY
2013 - CURRENT MODELS