EasyManua.ls Logo

Lightning Audio L-2125 - Page 11

Lightning Audio L-2125
19 pages
Print Icon
To Next Page IconTo Next Page
To Next Page IconTo Next Page
To Previous Page IconTo Previous Page
To Previous Page IconTo Previous Page
Loading...
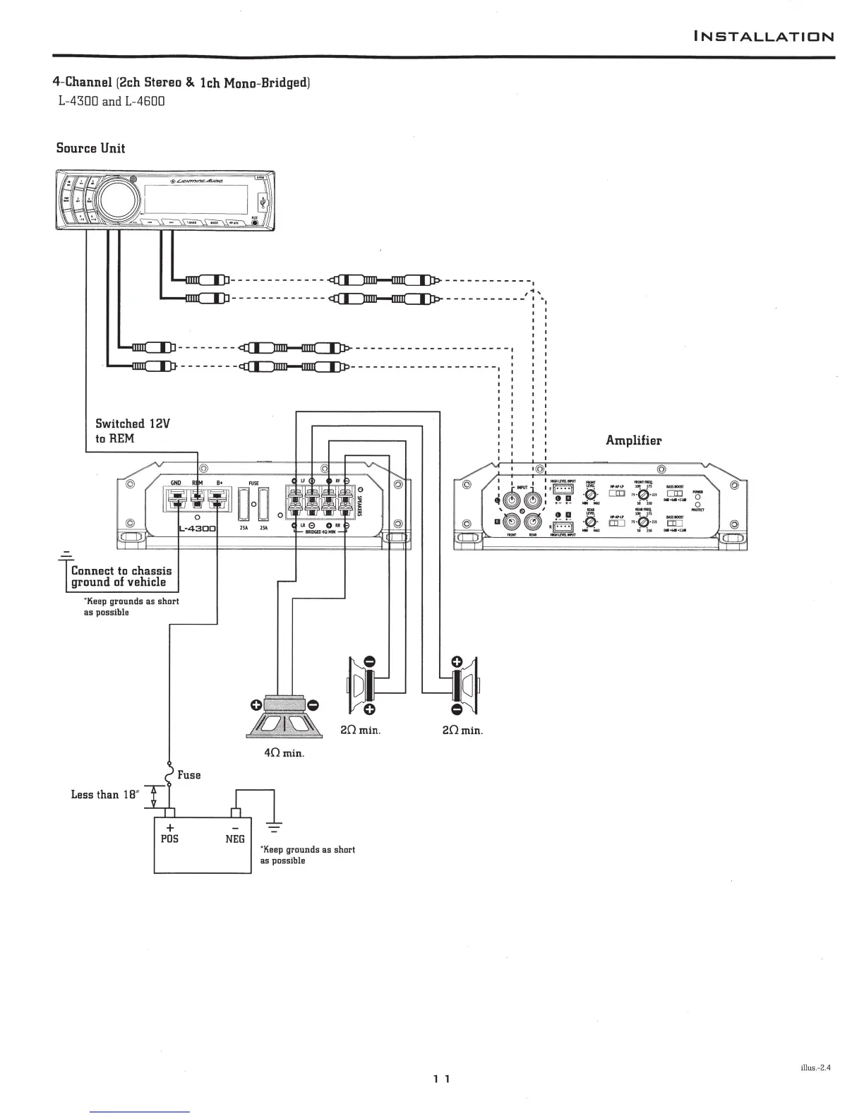
4-Channel (2ch Stereo
&
lch
Mono-Bridged)
L
-4
300
and
L-
4600
Source
Unit
,.,
......
----...JLJ-0-------------~-----------
:
.
-,......__...)-'-------
-~-
--------------------:
"""---..JLJ-0----
---
-~------
--------------
I
Switched
12V
to
REM
Connect
to
chassis
ground
of vehicle
·Keep
grounds
as
short
as
possible
Less
than 18"
+
UA
25A
20min
.
40min
.
POS
NEG
·Keep
grounds
as
sho
rt
as
possible
20min.
1 1
I
IN
ST
ALLATI
CJ
N
Amplifier
ill
us
.-2.4

Related product manuals