EasyManua.ls Logo

Lightning Audio L-2125 - Page 12

Lightning Audio L-2125
19 pages
Print Icon
To Next Page IconTo Next Page
To Next Page IconTo Next Page
To Previous Page IconTo Previous Page
To Previous Page IconTo Previous Page
Loading...
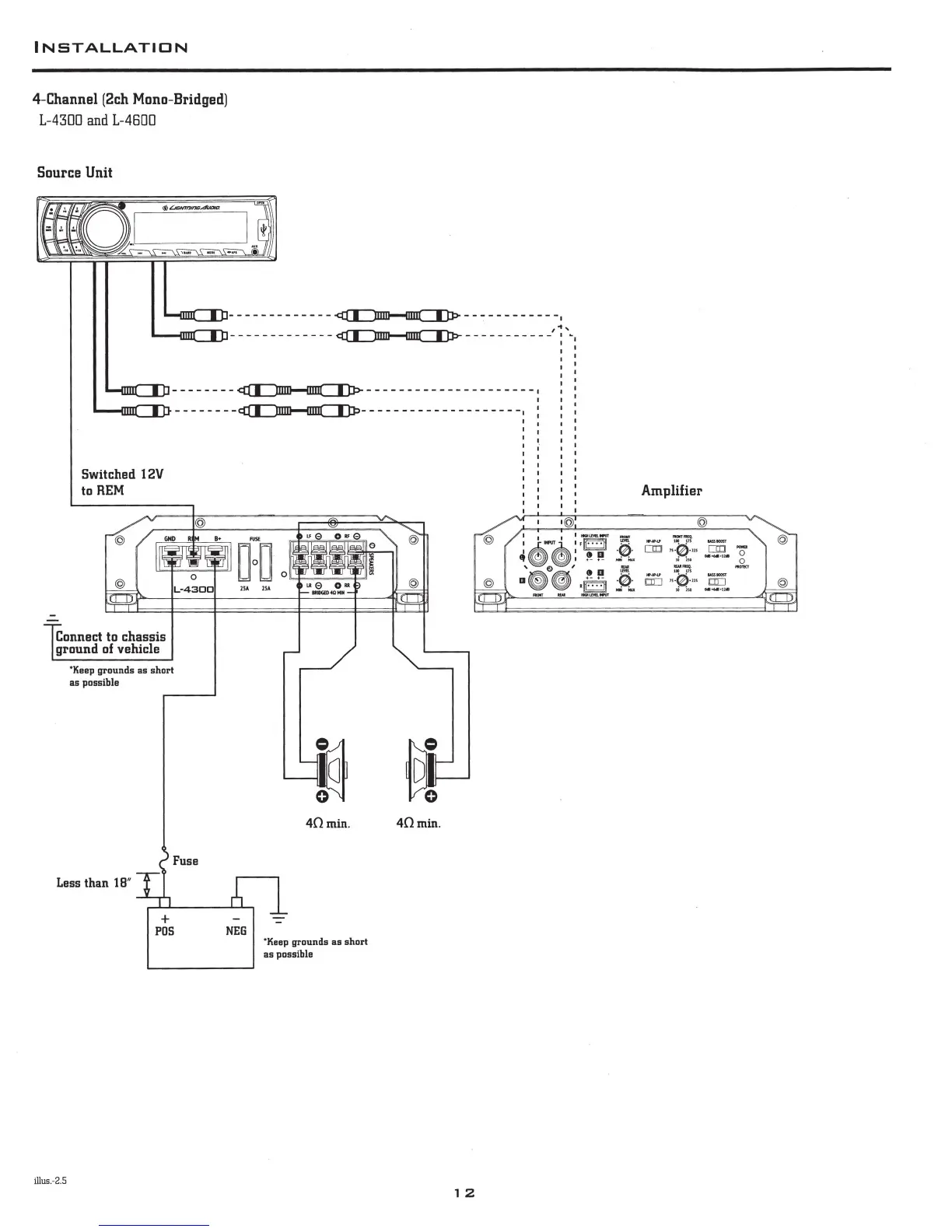
INSTALLATION
4-Channel (2ch Mono-Bridged)
L-4300
and
L-
4600
Source
Unit
Switched 12V
to
REM
Connect
to
chassis
ground
of
vehicle
'Keep grounds
as
short
as
possible
Less
than
1 B"
+
25A
2SA
40min
.
POS
NEG
illu
s.-
2.5
'Ksep grounds
as
short
as possible
Amplifier
40min
.
1 2

Related product manuals