EasyManua.ls Logo

Lightning Audio L-2125 - Page 13

Lightning Audio L-2125
19 pages
Print Icon
To Next Page IconTo Next Page
To Next Page IconTo Next Page
To Previous Page IconTo Previous Page
To Previous Page IconTo Previous Page
Loading...
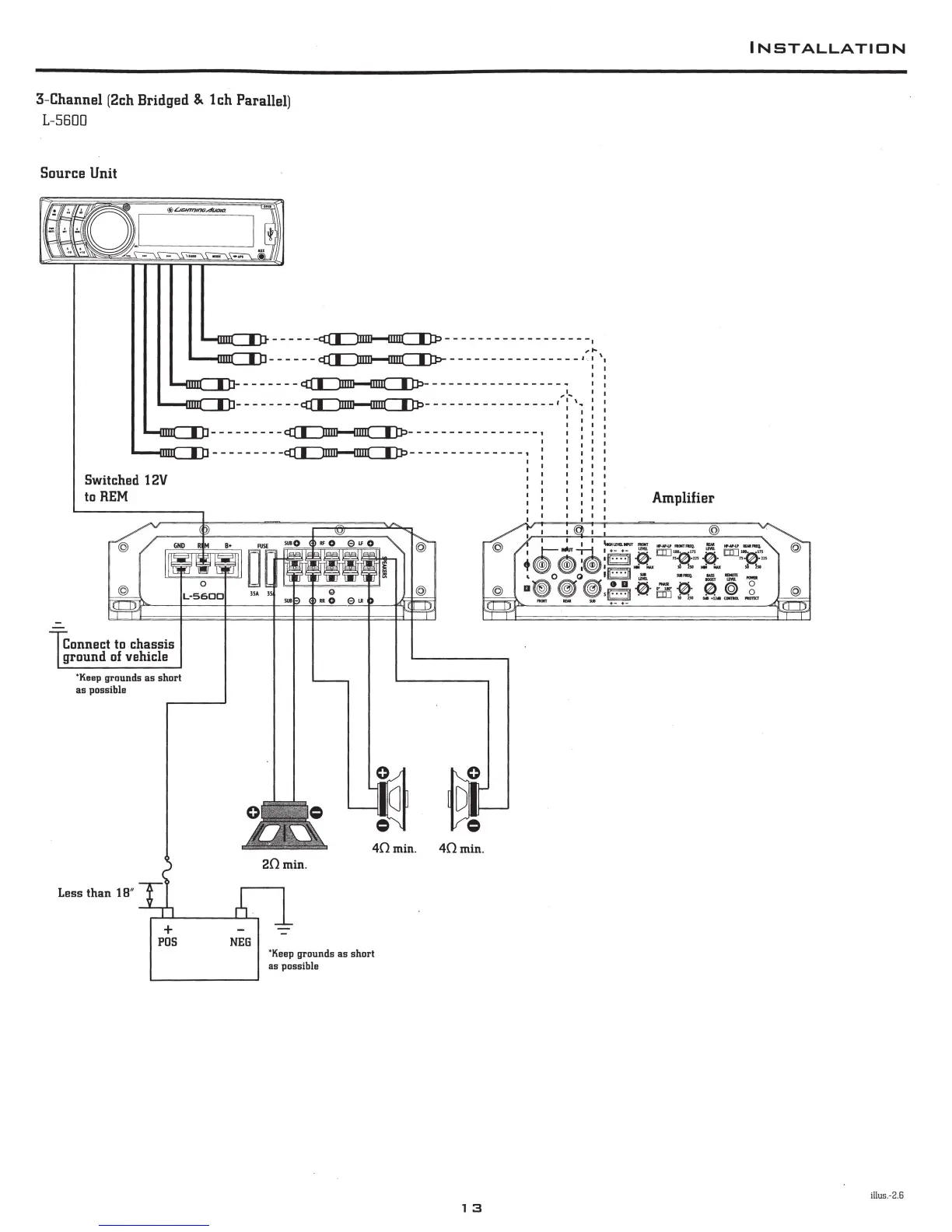
INSTALLATION
3-Channel (2ch Bridged &
lch
Parallel)
L-5600
Source Unit
-------~-----------------~
-------~----------------,--·
---u..a4.,_...AJ.'-
- - - - - - - -
~-
- - - - - - - - - - - - - - - :
---wu.'--ll.J-'--------
-~--------------:
Switched 12V
to
REM
Connect to chassis
ground
of
vehicle
'Keep grounds
as
short
as
possible
Less
than
1 8"
40
min.
'Keep grounds
as
short
as
possible
40min
.
1 3
I
Amplifier
@
I I I -
lMLIII'IIT
-
~
-IIIQ.
-
II'-INI
-I'IIQ.
1
·-~
-
·-
~
[JJ]•
'" -
ClJ
""""'"
.1.
~
I IEl) -0· n
G=
•n
0 "
"W
"'
,.
@)
0 1
@)
~
~
-..
.. ..
- •..
..
0 Q
·
~
J:..
•lllll
---
a
@)
(@)
~.
M
0
Ei5
0
0.
@ g
_.-
- U
~
H
l.W
M
+l
~~
~
illu
s.-2.6

Related product manuals