EasyManua.ls Logo

Lightning Audio L-2125 - Page 14

Lightning Audio L-2125
19 pages
Print Icon
To Next Page IconTo Next Page
To Next Page IconTo Next Page
To Previous Page IconTo Previous Page
To Previous Page IconTo Previous Page
Loading...
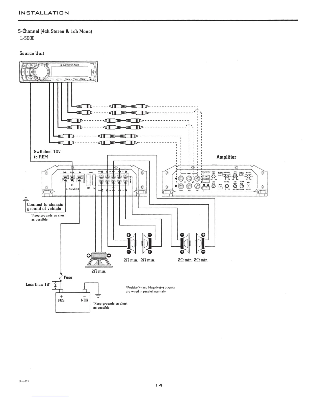
INSTALLATION
5-Channel (4ch Stereo &
lch
Mono)
L-5600
Source Unit
"'"""'"Wl
~I
------~--------------
-
---·
-
,I,
.............um
I
------~----
-
------------':'
'"""''IIII
I[}-------~-----------------~
---mill
I[}-------~
-
--------
-
----
- -
'
~
'
:
I I
I I
I I
--------~------
-
--
-
-----~
I
---mill
I
---------~--------
7
-----
~
:
I
Switched
12V
to
REM
GNO
R
B•
FUSE
sus
Q lF
d)
ll
0
@
~!~~
I I
or1
;U~~
©
IL
@
~~
-
-+
L
_
-s
_
6
_
o
_
o
+-
_
"
_
'
-
"-r
""
=r-+'
:..:
' r---r="+-+
""1
~
I I I
I I I
I I I
I I I
I I I
I I I
I
I
I
I
I
I
I
I
I
Tconnect
to
chassis
I ground
of
vehicle
'Keep grounds
as
short
as
possible
( Fuse
.--
--,
01
10
)"0
[
~\
20
min.
20
min.
20min.
Less
than
1 B"
I).,
,.............._
__
__,_....._,
*Positive(+) and Neg
at
ive(- )
out
pu
ts
are
wired in para
ll
el i
nte
rn
a
ll
y.
illus.-2.7
+
POS
NEG
'Keep grounds
as
short
as
possible
14
20
min.
20
min.
Amplifier

Related product manuals