EasyManua.ls Logo

Lightning Audio L-2125 - Page 15

Lightning Audio L-2125
19 pages
Print Icon
To Next Page IconTo Next Page
To Next Page IconTo Next Page
To Previous Page IconTo Previous Page
To Previous Page IconTo Previous Page
Loading...
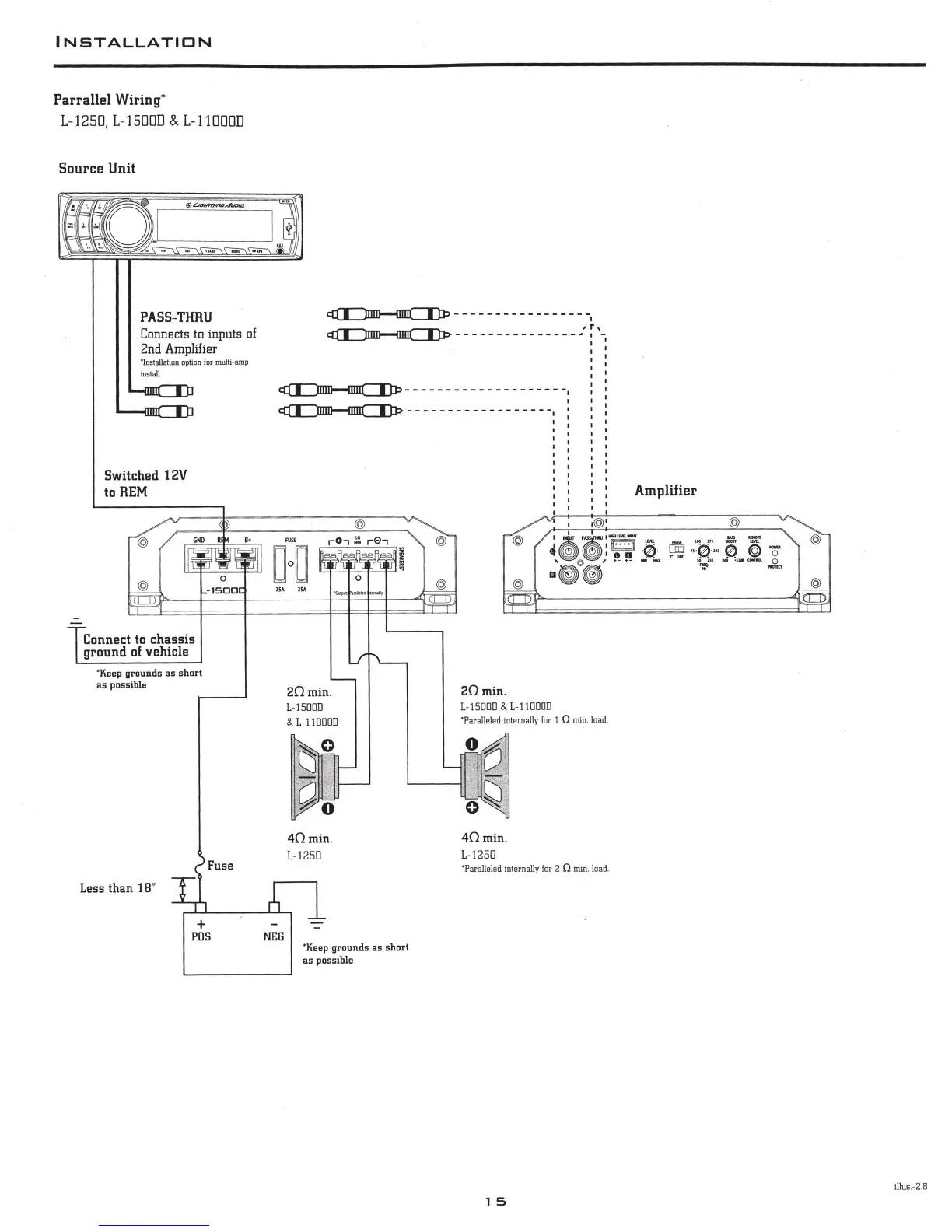
INSTALLATION
Parrallel
Wiring
*
L-1250, L-
15DDD
&
L-11
DODD
Source
Unit
PASS-THRU
Connects to inputs
of
2nd Amplifier
"Installation
option lor multi-amp
Install
Switched 12V
to
REM
Connect to
chassis
ground
of
vehicle
·Keep
grounds
as
short
as
possible
Less
than
1 B"
~----------------
-,
~-----
-
---------
..
'
r
'-
,
~-------------------
-,
~-----
-
-----------
Amplifier
o@ ' @
NEG
20min.
L-15000
& L-
11
0000
40min
.
L-1250
·
Ke
ep
grounds
as
short
as
po
ss
ible
20min.
L-15000 &
L-110000
·Paralleled
internally for 1
0
min. load.
40min
.
L-1250
Paralleled
internally for 2
0
min. load.
1 5
ill
us.
-
2.8

Related product manuals