EasyManua.ls Logo

Lincoln 1433-000-E - Page 5

Lincoln 1433-000-E
28 pages
Print Icon
To Next Page IconTo Next Page
To Next Page IconTo Next Page
To Previous Page IconTo Previous Page
To Previous Page IconTo Previous Page
Loading...
Impinger I – Adv Digital – Gas Service Manual – International
5
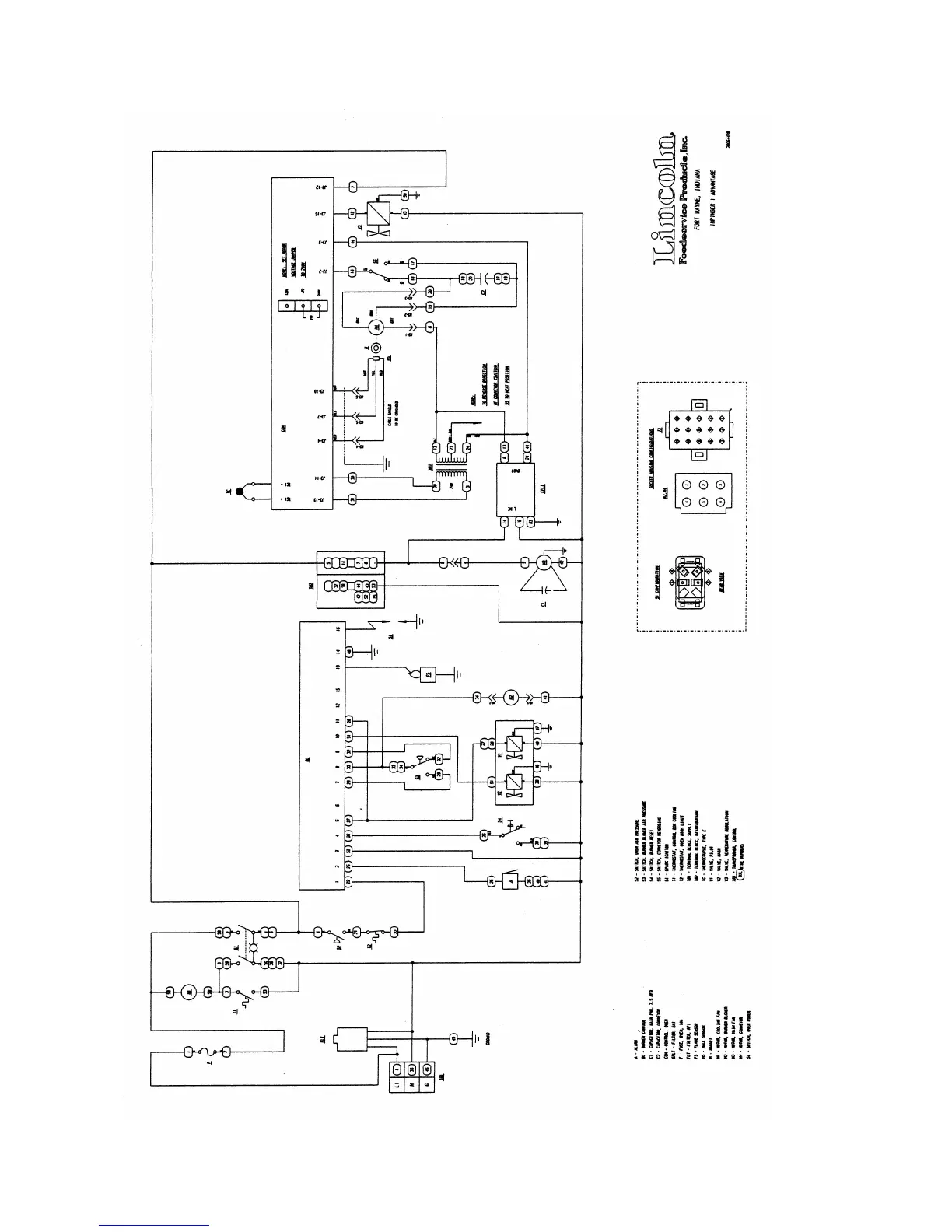
SCHEMATIC DIAGRAM
MODEL 1433-000-E, 1434-000-E, 1456, 1457
SERIAL NUMBER N31349 AND ABOVE