EasyManua.ls Logo

Loewe Connect 22 SL - Page 27

Loewe Connect 22 SL
88 pages
Print Icon
To Next Page IconTo Next Page
To Next Page IconTo Next Page
To Previous Page IconTo Previous Page
To Previous Page IconTo Previous Page
Loading...
27
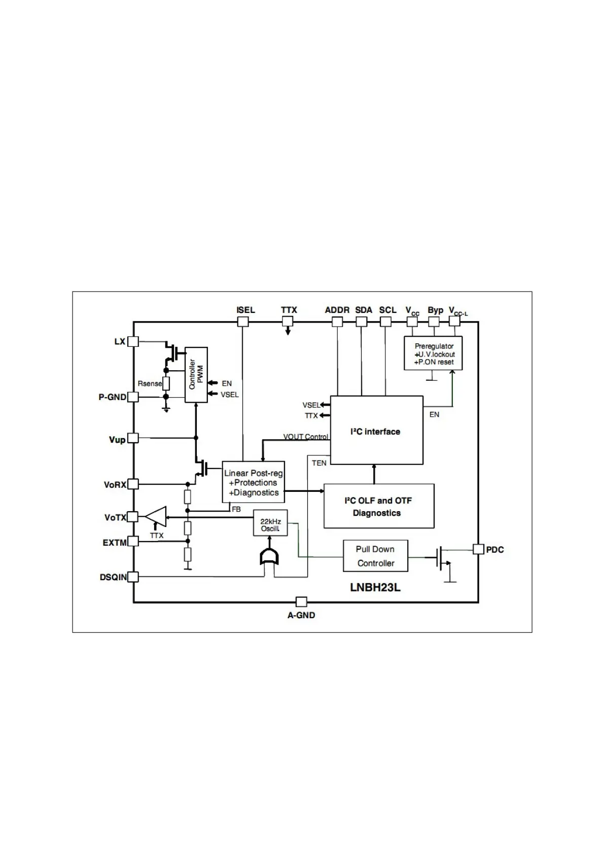
LNB supply and control IC
Intended for analog and digital satellite receivers, the LNBH23L is a monolithic voltage regulator
and interface IC, assembled in QFN32 5 x 5 specically designed to provide the 13 / 18 V power
supply and the 22 kHz tone signalling to the LNB down-converter in the antenna dish or to the
multi-switch box. In this application eld, it offers a complete solution with extremely low com-
ponent count, low power dissipation together with simple design and I²C standard interfacing.
44
Description
Intended for analog and digital satellite receivers, the LNBH23L is a monolithic voltage
regulator and interface IC, assembled in QFN32 5 x 5 specifically designed to provide the 13 /
18 V power supply and the 22 kHz tone signalling to the LNB down-converter in the antenna
dish or to the multi-switch box. In this application field, it offers a complete solution with
extremely low component count, low power dissipation together with simple design and I²C
standard interfacing.
b) Block Diagram
19. Software Update
In MB71 project you can update the main IC software by using USB ports. You can find the
SW update procedure below.
1. Software files should copy directly inside of a flash memory(not in a folder).
2. Put flash memory to the tv when tv is powered off.
3. Power on the and wait. TV will power-up itself.
4. If First Time Installition screen comes, it means software update procedure is succesful.
5. You can check the SW release name from service menu.