EasyManua.ls Logo

Loewe Connect 22 SL - USB and Sound Issues; Standby On;Off and No Signal Problems

Loewe Connect 22 SL
88 pages
Print Icon
To Next Page IconTo Next Page
To Next Page IconTo Next Page
To Previous Page IconTo Previous Page
To Previous Page IconTo Previous Page
Loading...
34
5. USB Problems
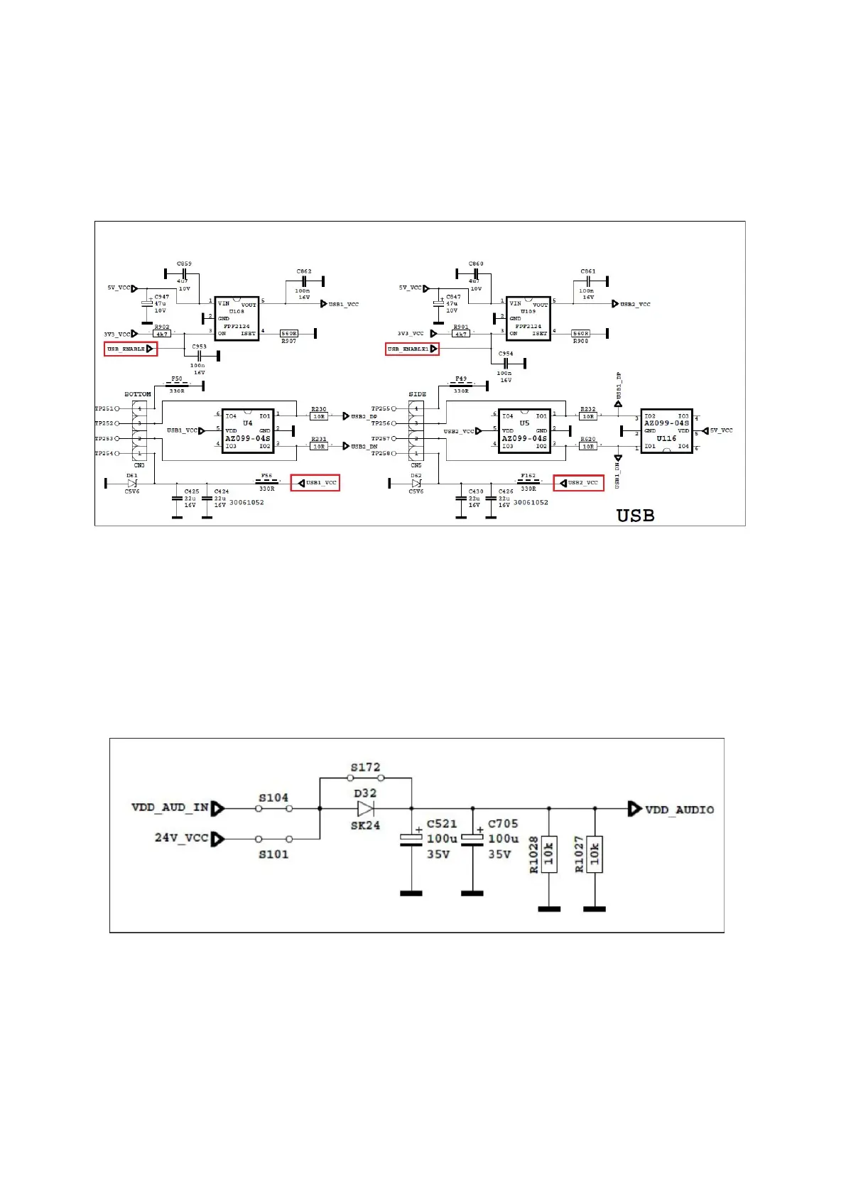
Problem: USB is not working or no USB Detection.
Check USB Supply, It should be nearly 5V. Also USB Enable should be logic
HIGH.
6. No Sound Problem
Problem: No audio at main TV speaker outputs.
Check supply voltages of VDD_AUDIO, 8V_VCC and 12V_VCC with a
voltage-meter.
There may be a problem in headphone connector or headphone detect
circuit (when headphone is connected, speakers are automatically muted).
Measure voltage at HP_DETECT pin, it should be 3.3v.
7. Standby On/Off Problem
Problem: Device can not boot, TV hangs in standby mode.
There may be a problem about power supply. Check main supplies with
a voltagemeter.
Also there may be a problem about SW. Try to update TV with latest SW.
TECHNISCHER KUNDENDIENST
15.6 No Sound Problem
Problem: No audio at main TV speaker outputs.
Check supply voltages of VDD_AUDIO, 8V_VCC and 12V_VCC with a voltage-meter.
There may be a problem in headphone connector or headphone detect circuit (when
headphone is connected, speakers are automatically muted). Measure voltage at
HP_DETECT
pin, it should be 3.3v.
15.7 Standby On/Off Problem
Problem: Device can not boot, TV hangs in standby mode.
There may be a problem about power supply. Check main supplies with a voltage-
meter. Also
there may be a problem about SW. Try to update TV with latest SW.
15.8 No Signal Problem
Problem: No signal in TV mode.
Loewe Opta GmbH
96317 Kronach, Industriestr. 11
Telefon (0 92 61) 99-0
Telefax (0 92 61) 99-730
e-mail: hotel-service@loewe.de
www.loewe.de
Seite 23 von 24 Stand: 26.01.2012
TECHNISCHER KUNDENDIENST
15.6 No Sound Problem
Problem: No audio at main TV speaker outputs.
Check supply voltages of VDD_AUDIO, 8V_VCC and 12V_VCC with a voltage-meter.
There may be a problem in headphone connector or headphone detect circuit (when
headphone is connected, speakers are automatically muted). Measure voltage at
HP_DETECT
pin, it should be 3.3v.
15.7 Standby On/Off Problem
Problem: Device can not boot, TV hangs in standby mode.
There may be a problem about power supply. Check main supplies with a voltage-
meter. Also
there may be a problem about SW. Try to update TV with latest SW.
15.8 No Signal Problem
Problem: No signal in TV mode.
Loewe Opta GmbH
96317 Kronach, Industriestr. 11
Telefon (0 92 61) 99-0
Telefax (0 92 61) 99-730
e-mail: hotel-service@loewe.de
www.loewe.de
Seite 23 von 24 Stand: 26.01.2012