EasyManua.ls Logo

Loewe Connect 22 SL - Page 35

Loewe Connect 22 SL
88 pages
Print Icon
To Next Page IconTo Next Page
To Next Page IconTo Next Page
To Previous Page IconTo Previous Page
To Previous Page IconTo Previous Page
Loading...
35
8. No Signal Problem
Problem: No signal in TV mode.
TECHNISCHER KUNDENDIENST
Loewe Opta GmbH
96317 Kronach, Industriestr. 11
Telefon (0 92 61) 99-0
Telefax (0 92 61) 99-730
e-mail: hotel-service@loewe.de
www.loewe.de
Seite 24 von 24 Stand: 26.01.2012
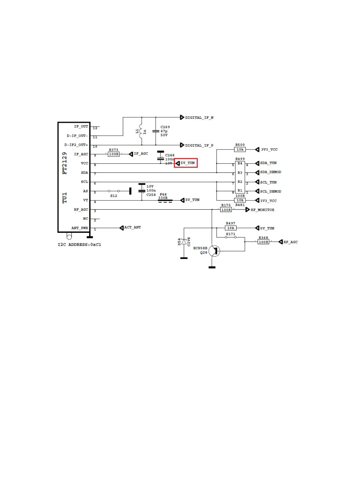
Check tuner supply voltage; 5V_TUN. Check tuner options are correctly set in Service
menu.
Check AGC voltage at RF_AGC pin of tuner.
Check tuner supply voltage; 5V_TUN. Check tuner options are correctly set in
Service menu.
Check AGC voltage at RF_AGC pin of tuner.