EasyManua.ls Logo

LS iP5A - Wiring - 0.75~30 kW (1~40 HP); Main Power Circuit Connections

LS iP5A
23 pages
Print Icon
To Next Page IconTo Next Page
To Next Page IconTo Next Page
To Previous Page IconTo Previous Page
To Previous Page IconTo Previous Page
Loading...
Industrial Drive for Fan and Pump STARVERT iP5A
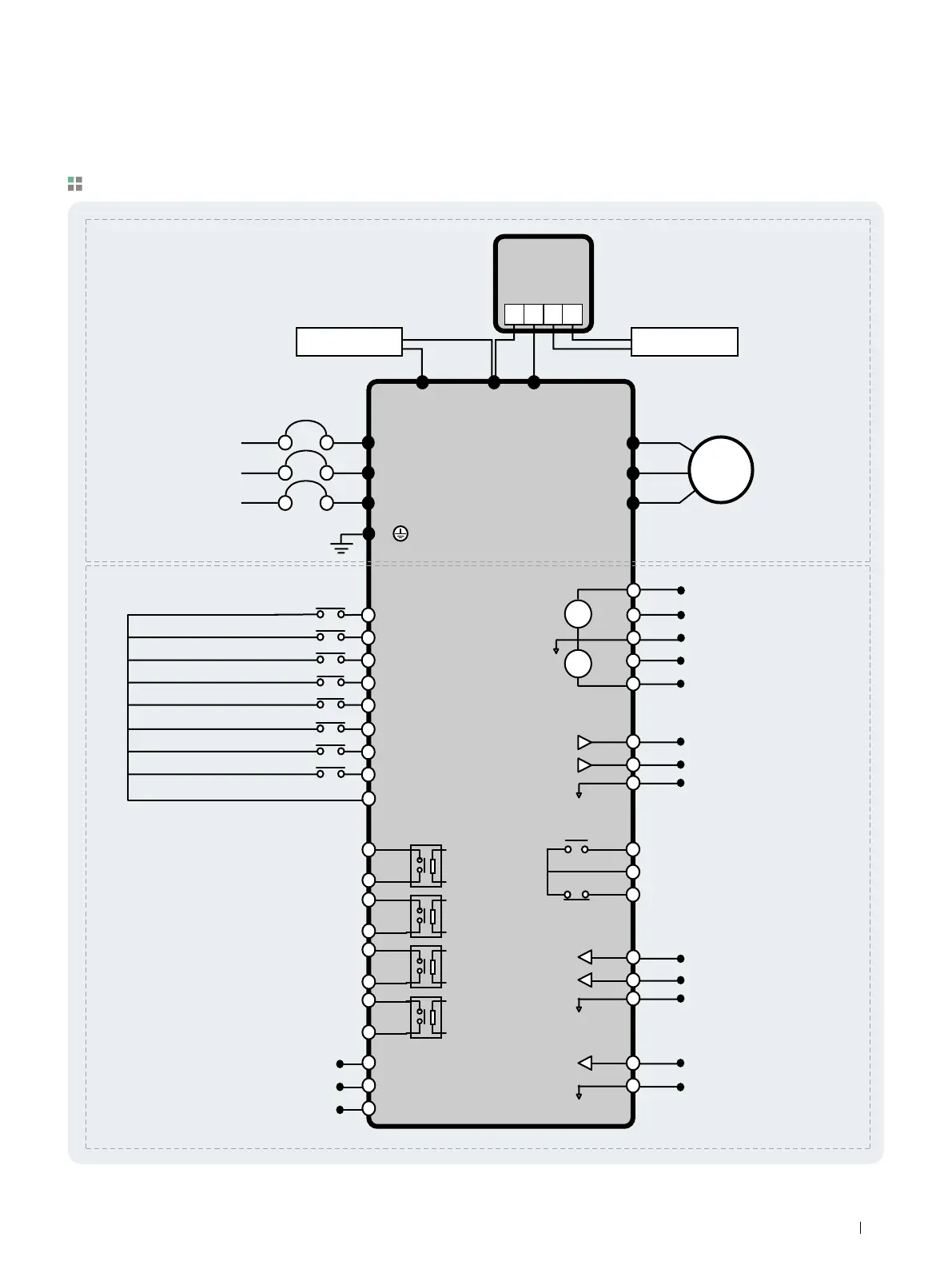
Note 1) 5G is Common Ground for Analog Input / Output. (Only applied to 0.75 ~ 30kW products)
2) Use terminal V1 for V1, V1S (0~12V, -12~12V) input.
3) To add DC reactor, Remove DC Bus Choke and connect to P1(+), P2(+).
4) SA, SB terminal is proovided with 600V class model only.
Wiring
M1
M2
M3
M4
M5
M6
M7
M8
CM
Programmable Digital Input 1 (Speed L)
Programmable Digital Input 2 (Speed M)
Programmable Digital Input 3 (Speed H)
Fault Reset (RST)
Drive Disable (BX)
Jog Frequency Reference (JOG)
Forward Run Command (FX)
Reverse Run Command (RX)
Common Terminal
Analog Power Source (+12V)
Frequency Reference (0~12V, V1S: -12~12V)
Frequency Reference Common Terminal
Frequency Reference (0~20mA or 4~20mA)
Analog Power Source (-12V)
Fault Contact Output
less than AC250V (DC30V), 1A
Frequency Reference (Pulse: 0~100kHz)
Common for Frequency Reference (Pulse)
External Motor Thermal Detection
MCCB (Option)
R (L1)
S (L2)
T (L3)
G
U
V
W
Main Power Circuit
Dynamic
Braking Unit
(Optional)
DB Unit (Optional)
DB Resistor
DC Bus Choke
(Optional)
Control Circuit
DC Bus Choke DB Resistor
3
Ø
AC Input
50/60 Hz
Motor
A1
C1
A2
C2
A3
C3
A4
C4
C-
C+
CM
NT
5G
A0
B0
5G
3A
3C
3B
S0
S1
5G
V+
V1
5G
I
V-
+
-
+
-
P1 (+)
P N B1 B2
P2 (+) N (-)
RS485 Signal
RS485 Common
Programmable Digital Output
Output Frequency Meter
Output Voltage Meter
Common for Output Meter Signal
For 0.75~30kW (1~40HP)
13
Drive Starvert iP5A Series

Other manuals for LS iP5A

Related product manuals