EasyManua.ls Logo

LSIS GIPAM 2000 - Page 37

LSIS GIPAM 2000
60 pages
Print Icon
To Next Page IconTo Next Page
To Next Page IconTo Next Page
To Previous Page IconTo Previous Page
To Previous Page IconTo Previous Page
Loading...
37
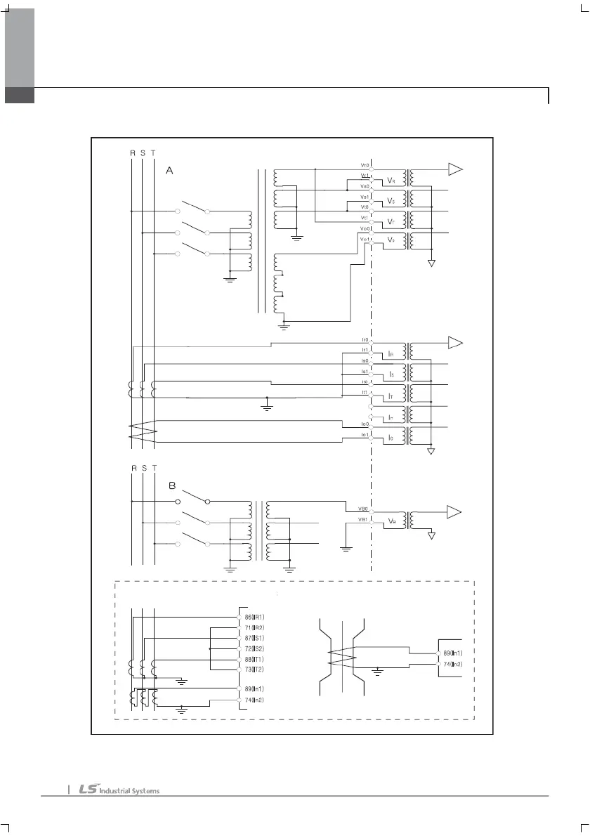
3P3W WIRING
3P3W 3CT Y WIRING
3 CT USED
3P3W Ground CT used
3. User interface
3. User interface3. User interface
3. User interface