EasyManua.ls Logo

LSIS GIPAM 2000 - Page 38

LSIS GIPAM 2000
60 pages
Print Icon
To Next Page IconTo Next Page
To Next Page IconTo Next Page
To Previous Page IconTo Previous Page
To Previous Page IconTo Previous Page
Loading...
38
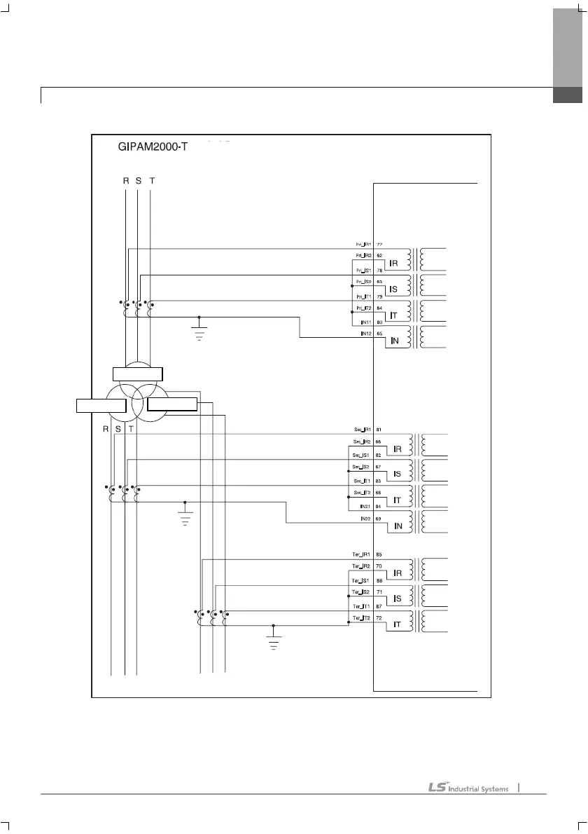
(3 phase WIRING)
1 (primary)
2 (secondary)
3 (tertiary)
3. User interface
3. User interface3. User interface
3. User interface