EasyManua.ls Logo

Lumens VC-A71PN - Page 11

Lumens VC-A71PN
50 pages
Print Icon
To Next Page IconTo Next Page
To Next Page IconTo Next Page
To Previous Page IconTo Previous Page
To Previous Page IconTo Previous Page
Loading...
10
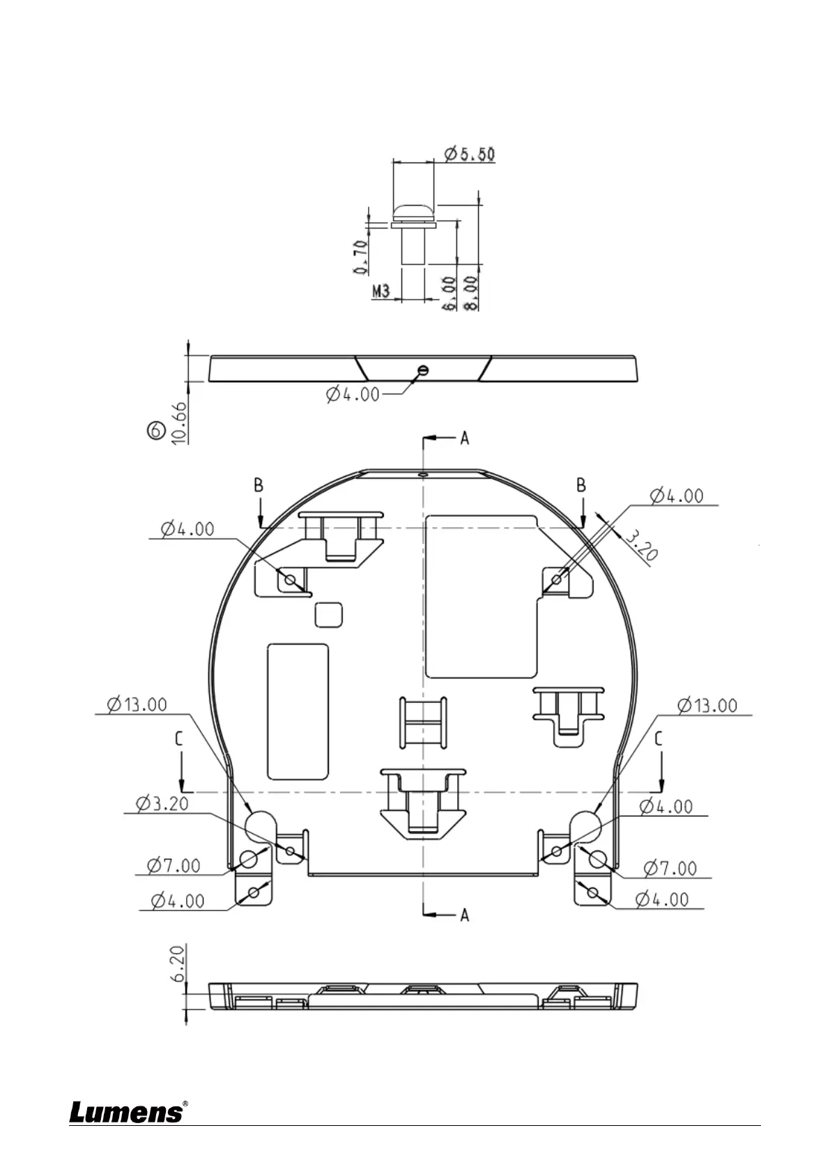
4.3.2.2 Metal Plate size diagram
Metal plate A - machine side
Metal plate A - machine side
Metal plate A locking screw

Related product manuals