EasyManua.ls Logo

Luna MD30F - Electrical Wiring Diagram

Default Icon
Print Icon
To Next Page IconTo Next Page
To Next Page IconTo Next Page
To Previous Page IconTo Previous Page
To Previous Page IconTo Previous Page
Loading...
12
Relais sans tension
Coup-circuit thermique
Capsulage
Elbox komplett
Start / Stop
Back-up fuse is not
required
Disjoncteur motor
(1096)
Copleur
Max. fuse
Motor
Red
Grey
Yellow
Black
Blue
White
Blue
Brown
Green
Yellow
Red
Black
Grey
White
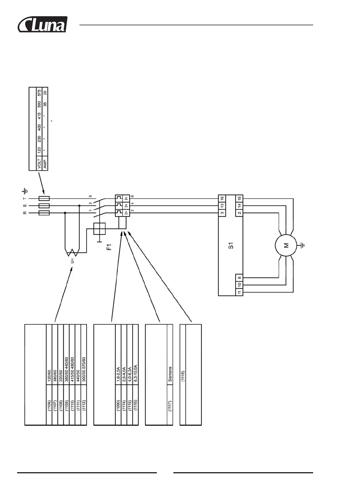
ELECTRIC DIAGRAM

Related product manuals