EasyManua.ls Logo

Luna MD30F - Bench Model Dimensions; Bench Model Overall Dimensions

Default Icon
Print Icon
To Next Page IconTo Next Page
To Next Page IconTo Next Page
To Previous Page IconTo Previous Page
To Previous Page IconTo Previous Page
Loading...
39
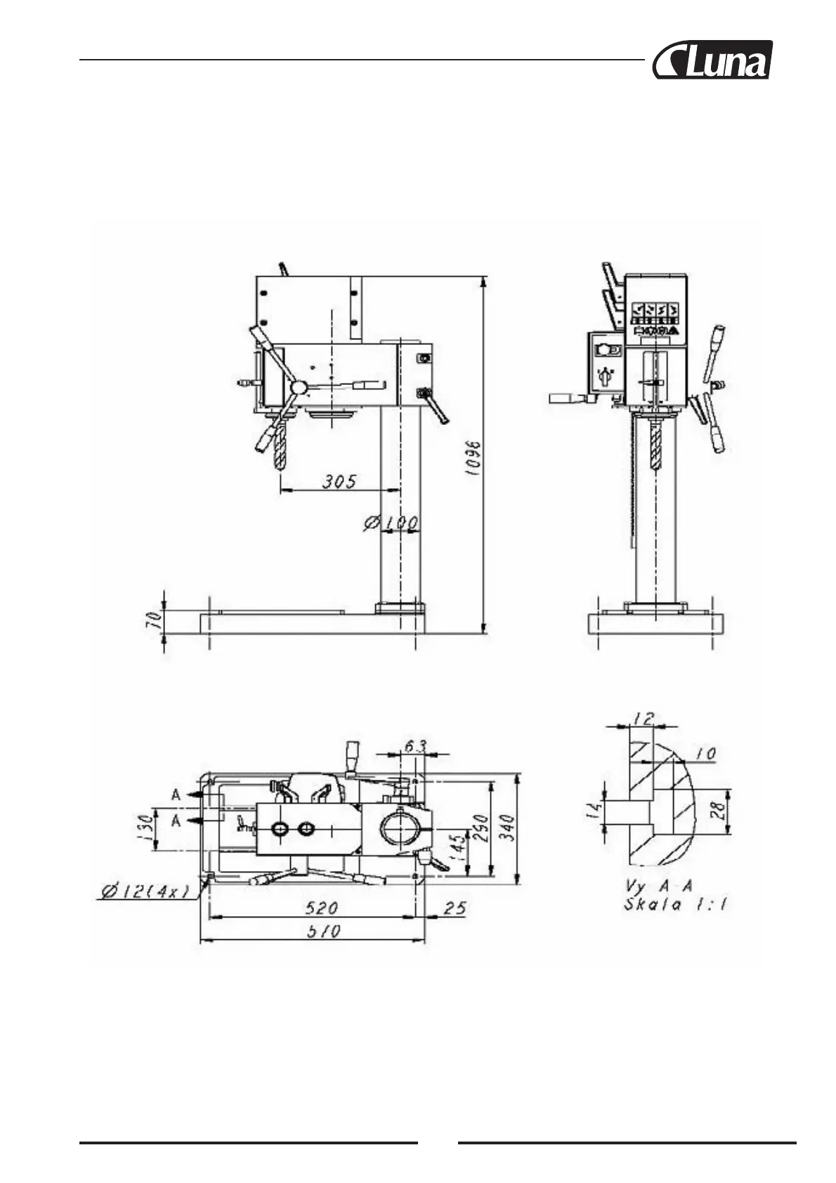
DIMENSION SKETCH BENCH MODEL

Related product manuals