EasyManua.ls Logo

Luna MD30F - Page 28

Default Icon
Print Icon
To Next Page IconTo Next Page
To Next Page IconTo Next Page
To Previous Page IconTo Previous Page
To Previous Page IconTo Previous Page
Loading...
27
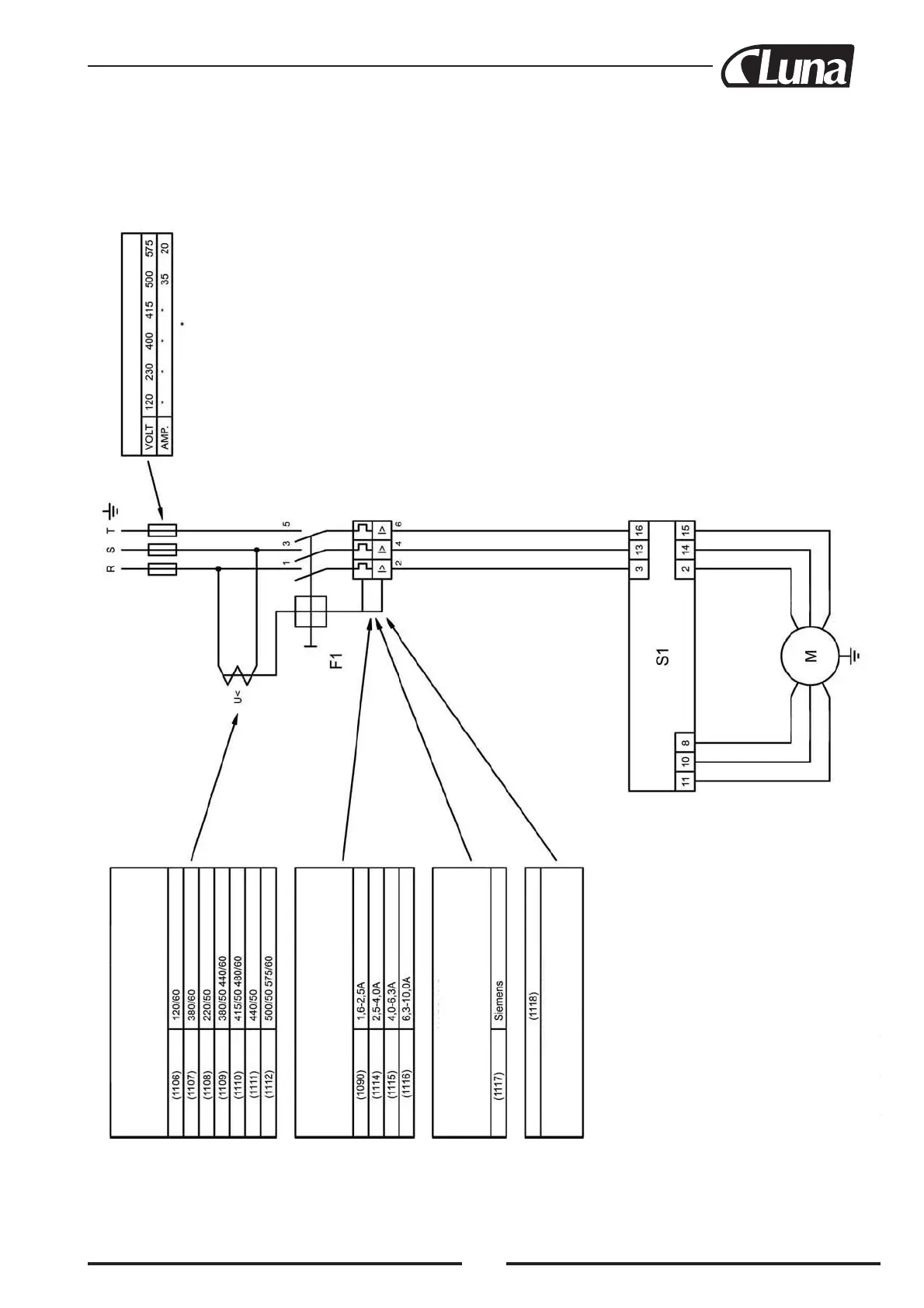
KOPPLINGSSCHEMA
Nollspänningsutlösare
Motorskydd
Kapsling
Elbox komplett
Start / Stop
Ingen forsikring er
nødvendig
Mot. skyddsbry.
(1096)
Polomkopplare
Sulake maks.
Motor
Röd
Grå
Gul
Svart
Blå
Vit
Blå
Brun
Grön
Gul
Röd
Svart
Grå
Vit

Related product manuals