EasyManua.ls Logo

Luna MD30F - Electrical Connection Diagram

Default Icon
Print Icon
To Next Page IconTo Next Page
To Next Page IconTo Next Page
To Previous Page IconTo Previous Page
To Previous Page IconTo Previous Page
Loading...
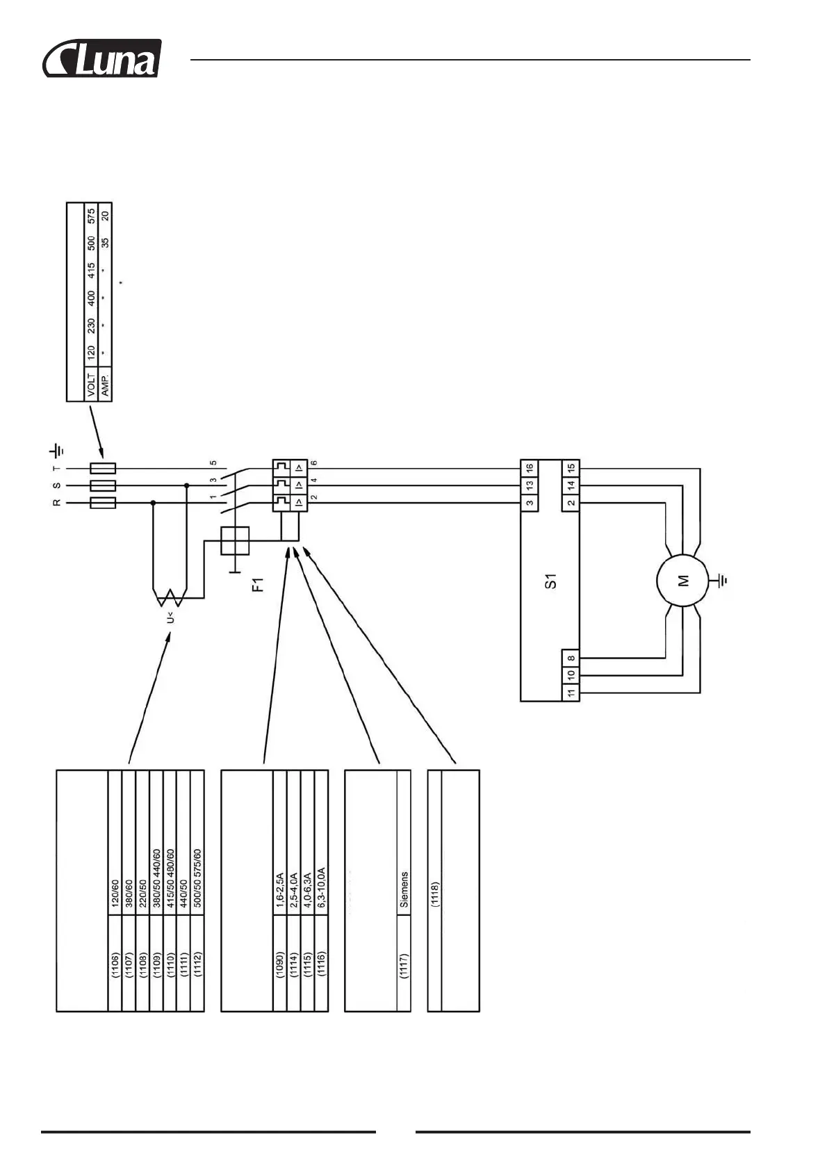
6
Alapingekaitse
Mootoriautomaatkaitse
Kaitseklass
Elektrikapi komplekt
Start / Stop
Eelkaitse pole vajalik
Mootori automaatkaitse
(1096)
Reeverslüliti
Suurim lubatud kaitse
Mootor
Punane
Hall
Kollane
Must
Sinine
Valge
Sinine
Pruun
Roheline
Kollane
Punane
Must
Hall
Valge
ÜHENDUSSKEEM

Related product manuals