EasyManua.ls Logo

MAC TOOLS MW150K - SECTION 4 - MAINTENANCE & TROUBLESHOOTING; Wire Drive;Gun Trouble; SECTION 5 - ELECTRICAL DIAGRAMS; Figure 5-1. Circuit Diagram For Welding Power Source

MAC TOOLS MW150K
20 pages
Print Icon
To Next Page IconTo Next Page
To Next Page IconTo Next Page
To Previous Page IconTo Previous Page
To Previous Page IconTo Previous Page
Loading...
OM-154 500 Page 12
Wire Drive/Gun Trouble Remedy Section
Electrode wire feeding stops during
welding.
Straighten gun cable and/or replace damaged parts. 4-4
Adjust drive roll pressure. 2-6
Readjust hub tension. 2-6
Replace contact tube if blocked. 4-4
Clean or replace wire inlet guide or liner if dirty or plugged. 4-3, 4-4
Replace drive roll or pressure bearing if worn or slipping. 4-3
Secure gun trigger plug in receptacle or repair leads, or replace trig-
ger switch.
2-4
Check and replace F1. 4-2
Check and clear any restrictions at drive assembly and liner. 4-3, 4-4
Have nearest Factory Authorized Service Station/Service Distribu-
tor check drive motor.
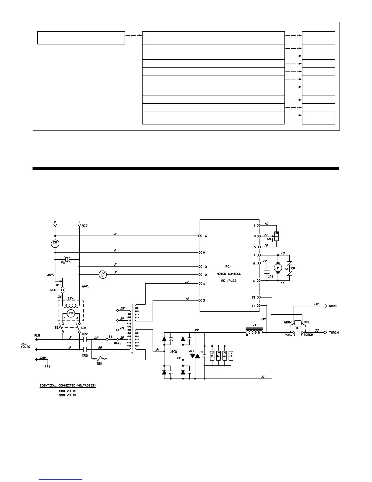
SECTION 5 ELECTRICAL DIAGRAMS
SB-163 084
Figure 5-1. Circuit Diagram For Welding Power Source

Related product manuals