EasyManua.ls Logo

Macurco CM-6 - Page 10

Macurco CM-6
43 pages
Print Icon
To Next Page IconTo Next Page
To Next Page IconTo Next Page
To Previous Page IconTo Previous Page
To Previous Page IconTo Previous Page
Loading...
Macurco CM-xx Operation Manual
REV 1.2.1 [34-2900-0511-6 ] 10 | Page
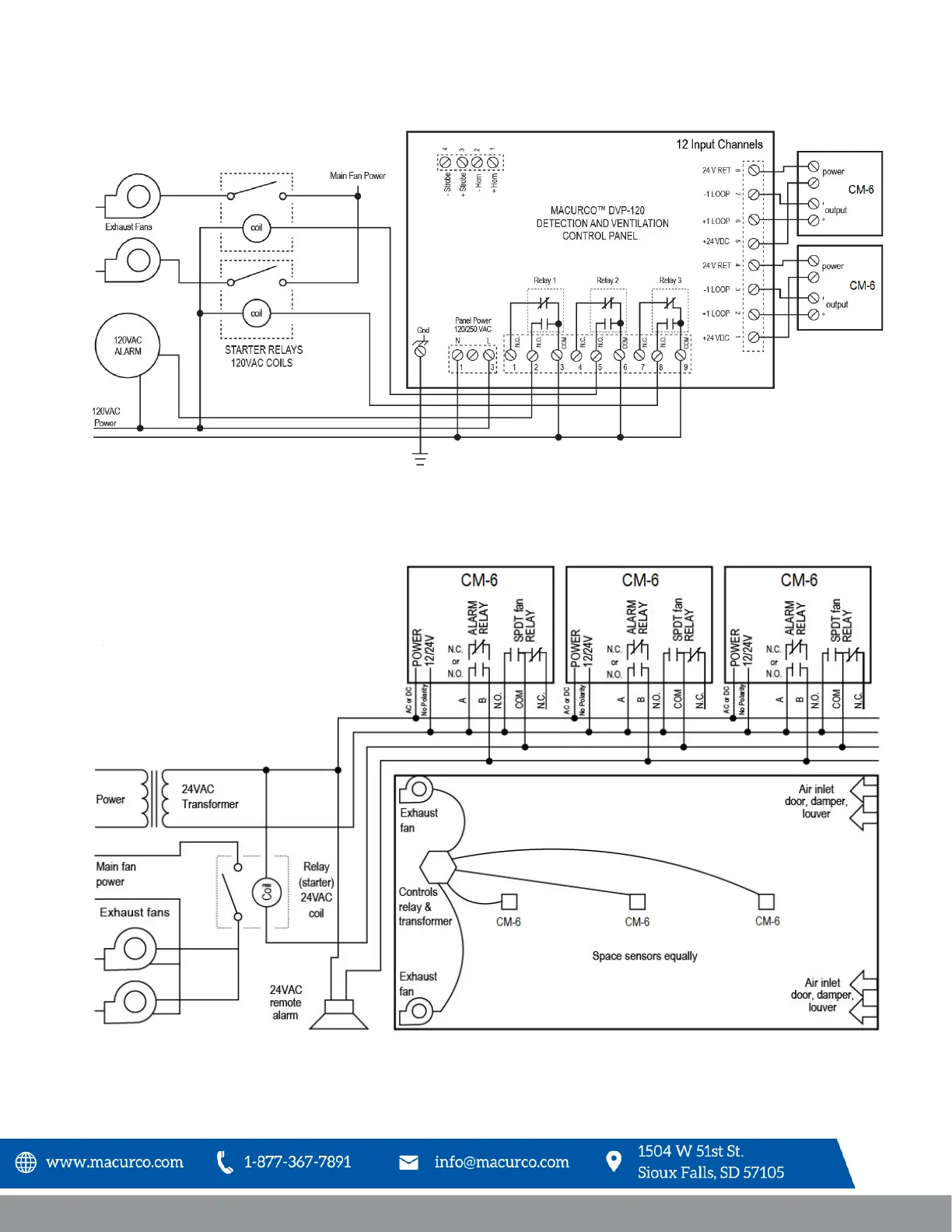
Figure 3-4 6-Series DVP-120 Control Panel diagram

Table of Contents