EasyManua.ls Logo

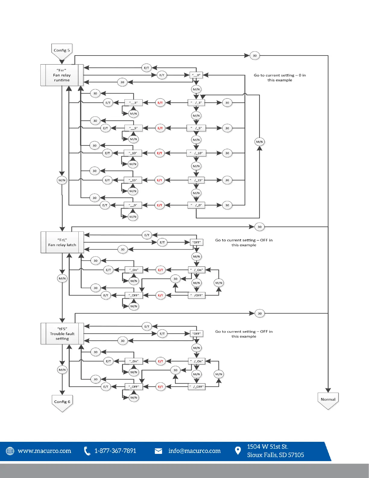
Macurco CM-6 - Fan Relay Minimum Runtime Flow; Fan Relay Latching Flow; Trouble Fan Setting Flow

Macurco CM-6
43 pages
Print Icon
To Next Page IconTo Next Page
To Next Page IconTo Next Page
To Previous Page IconTo Previous Page
To Previous Page IconTo Previous Page
Loading...
Macurco CM-xx Operation Manual
REV 1.2.1 [34-2900-0511-6 ] 38 | Page

Table of Contents