EasyManua.ls Logo

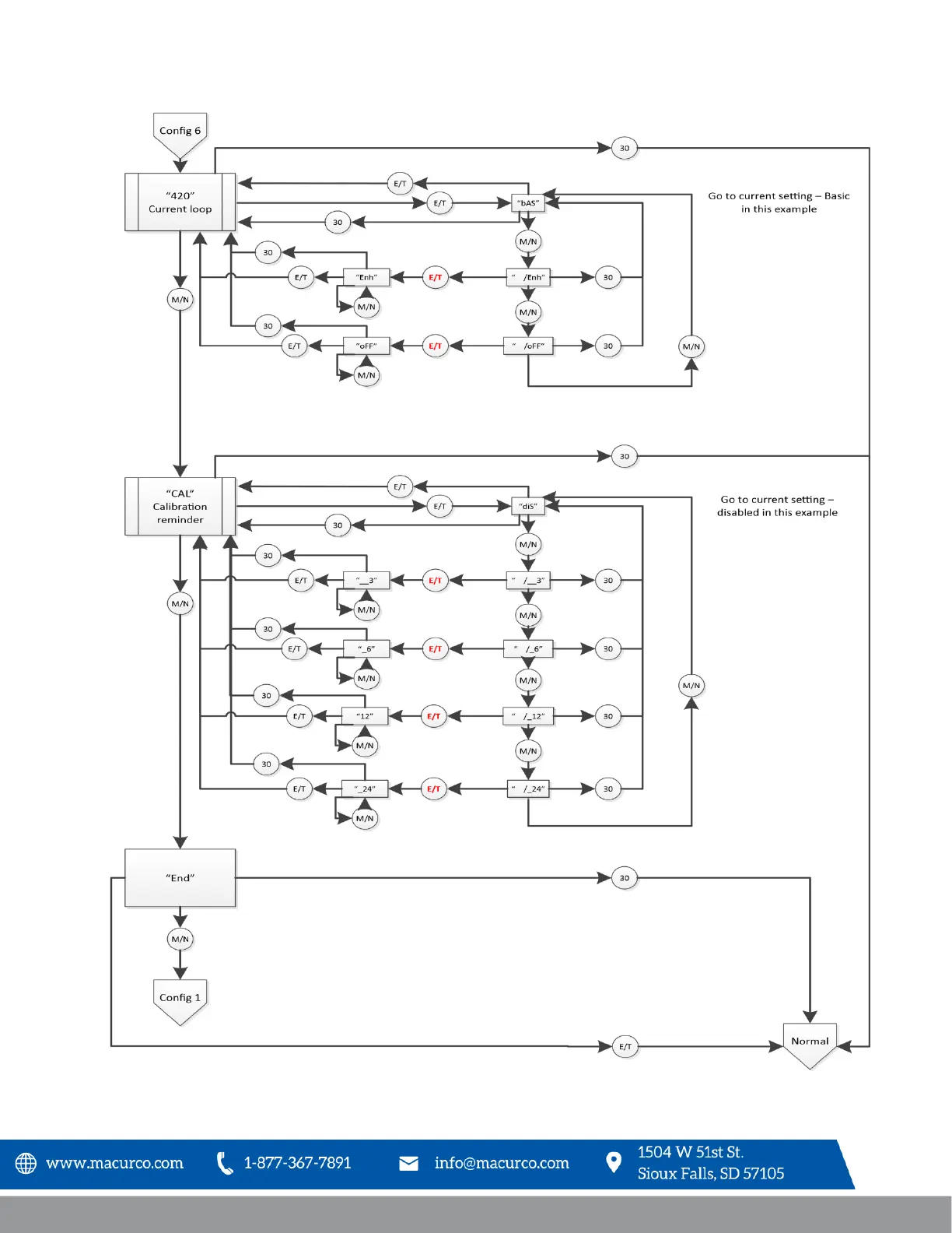
Macurco CM-6 - 4-20 mA Output Setting Flow; Calibration Reminder Setting Flow

Macurco CM-6
43 pages
Print Icon
To Next Page IconTo Next Page
To Next Page IconTo Next Page
To Previous Page IconTo Previous Page
To Previous Page IconTo Previous Page
Loading...
Macurco CM-xx Operation Manual
REV 1.2.1 [34-2900-0511-6 ] 39 | Page

Table of Contents