EasyManua.ls Logo

Magic 105 - Page 16

Magic 105
Print Icon
To Next Page IconTo Next Page
To Next Page IconTo Next Page
To Previous Page IconTo Previous Page
To Previous Page IconTo Previous Page
Loading...
16
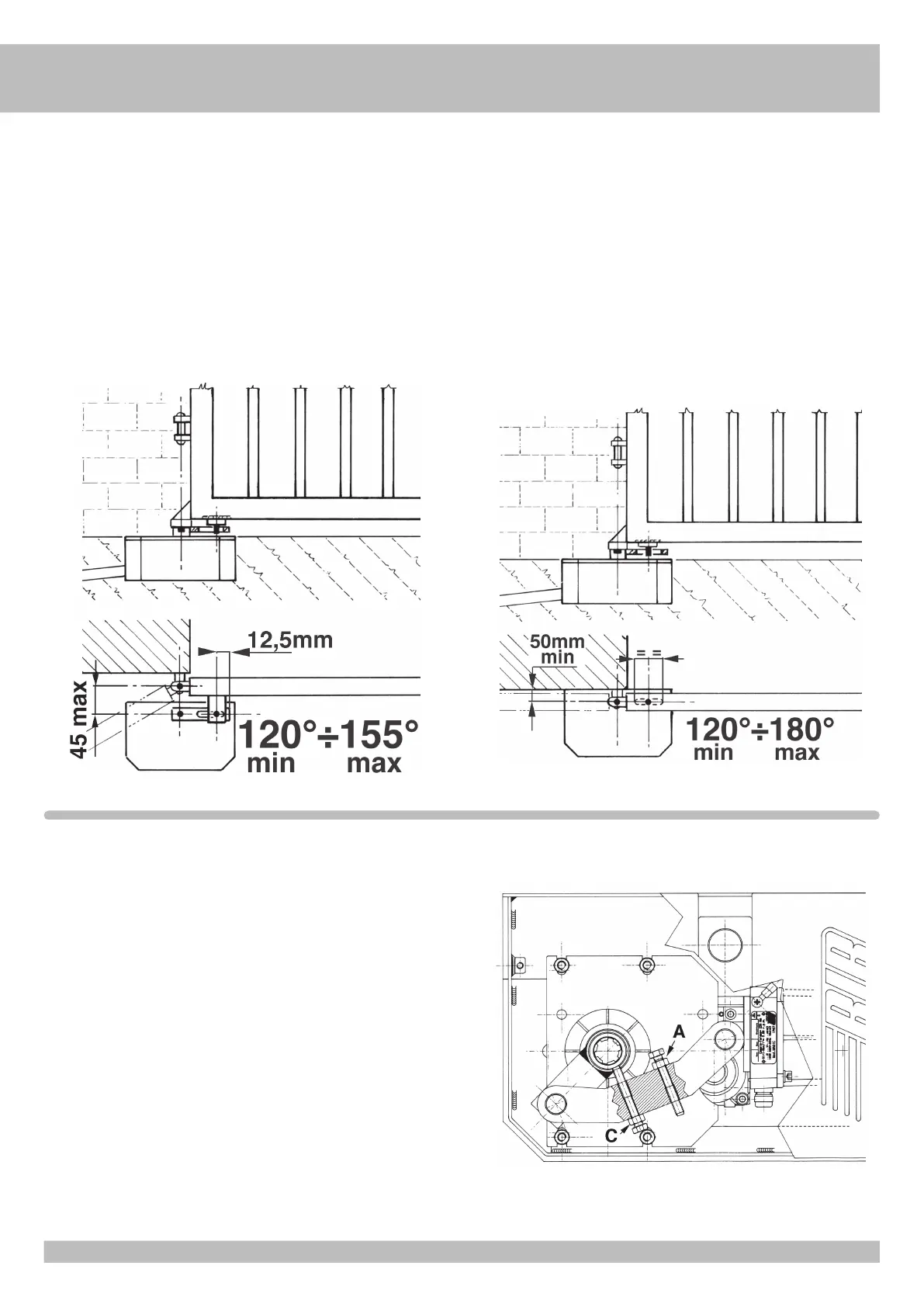
REGLAGE DES FINS DE COURSE MECANIQUES MAGIC 105°
Lorsqu’on utilise MAGIC il n’est pas nécessaire de fixer des arrêts au sol ou ailleurs, car il est
équipé à l’intérieur de vis d’arrêt réglables pour stopper la course du vantail. Pour accéder à
ces vis, ôter le couvercle du MAGIC.
- Pour obtenir l’ouverture du portail désirée, il suffit de visser ou de dévisser la vis d’arrêt
(A) et de bloquer ensuite le contre-écrou pour empêcher qu’elle change de position par la
suite (Fig. 11).
Le même réglage doit être effectué pour la fermeture, à l’aide la vis (C).
11
C IMENTER LE MAGIC 180°
MAGIC 180° est fourni en version ambidextre et peut être installé indifféremment sur la droite
ou la gauche du portail. Toutes les instructions du 105 sont valables.
De plus:
- Cimenter en prenant soin de ne pas introduire de mortier dans le caisson, en veillant à ce
que les côtés les plus courts du caisson soient parfaitement perpendiculaires au portail en
position “FERME” selon l’angle d’ouverture que l’on désire obtenir.
Le raccordement entre vantail et fourche peut être fait comme indiqué figures 9-10.
N.B.: Lorsque le portail déjà installé dispose d’un support portant à terre, l’installation est
possible en se servant du moteur comme support (voir installation Fig. 10).
- Insérer les boulons pour fixer le couvercle dans des endroits coupés dans la caisse de
fondation.
FIG. 9 - AVEC OUVERTURE JUSQU’À 155°
A - NE PAS UTILISER
B - Souder au portail avec le pivot (cf. fig. 9).
FIG. 10 - AVEC OUVERTURE JUSQU’À 180°
A - Utiliser uniquement lorsque le poids du portail repose sur le moteur. NB: ne pas utiliser
avec des gonds portants.
B - Souder au portail avec le pivot (cf. fig. 10).
9 10
F