EasyManua.ls Logo

Magic 105 - Page 8

Magic 105
Print Icon
To Next Page IconTo Next Page
To Next Page IconTo Next Page
To Previous Page IconTo Previous Page
To Previous Page IconTo Previous Page
Loading...
8
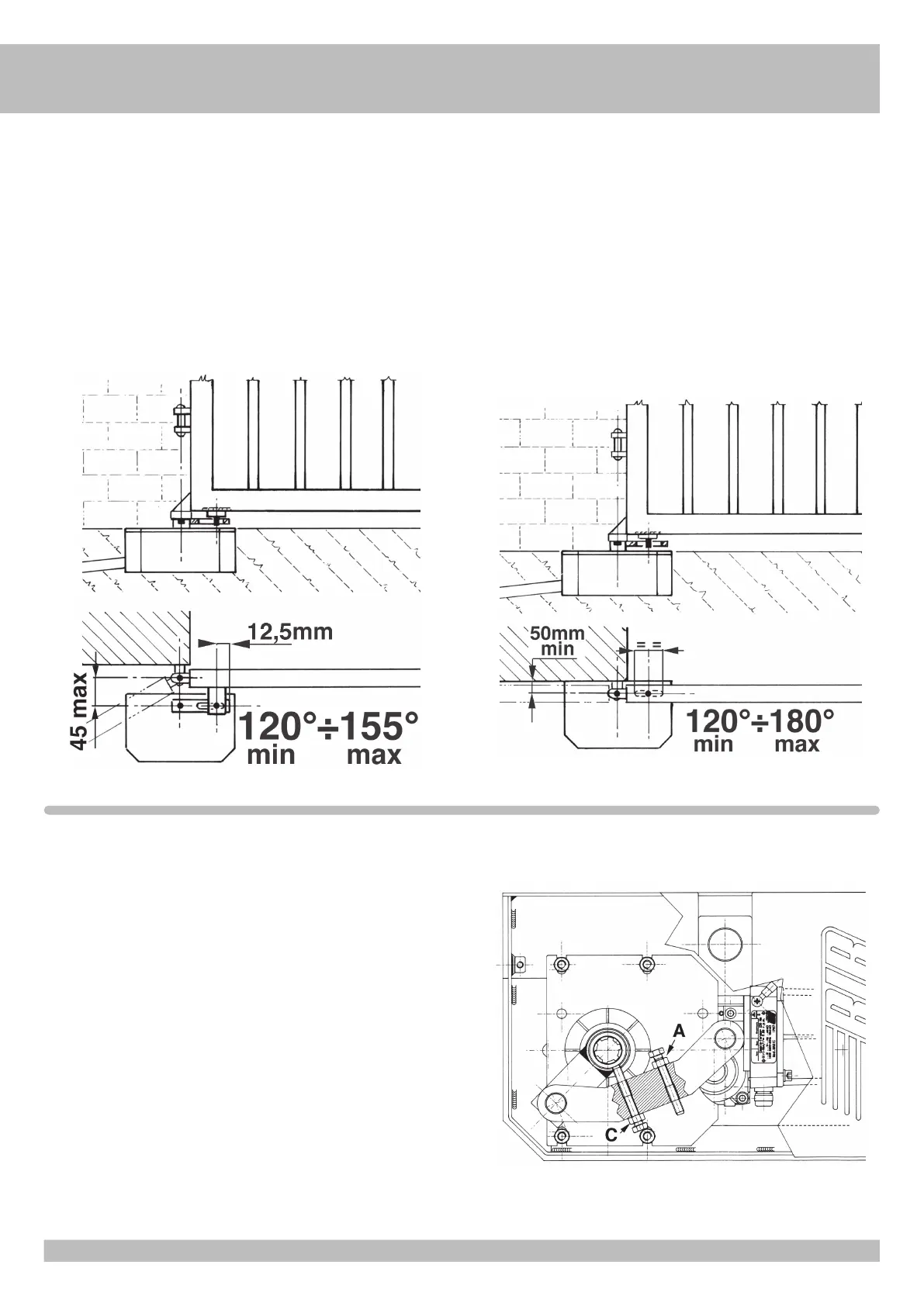
REGOLAZIONE FINECORSA MECCANICI MAGIC105°
Usando MAGIC non è necessario fissare fermi a terra o altro perché è dotato all’interno di viti
di fermo registrabili per delimitare la corsa dell’anta.
Per accedere alle viti di fermo è necessario togliere il coperchio del MAGIC.
- Per ottenere l’apertura desiderata del cancello è sufficiente avvitare o svitare la vite “A” di
fermo e di seguito bloccare il controdado per impedire che possa modificare la sua posizione
nel tempo (Fig. 11).
- La stessa regolazione va eseguita anche sulla vite “C” per la chiusura.
11
CEMENTAZIONE DEL MAGIC 180°
MAGIC 180° viene fornito ambidestro quindi potete applicarlo sulla destra o sulla sinistra del
cancello indifferentemente e vale quanto detto per la versione 105° tranne che per quanto segue:
- Cementare facendo attenzione che la malta non entri all’interno della cassa, verificando che i lati
più corti del cassonetto siano perfettamente perpendicolari al cancello quando è in posizione
“CHIUSO” a seconda dell’angolo d’apertura che si vuole realizzare.
Il collegamento tra anta e leva di traino può avvenire come da figure 9 e 10.
N.B. In caso l’anta abbia un supporto portante a terra, l’installazione è possibile facendo fare la
funzione di supporto al motore (vedi installazione Fig. 10).
- Inserire i dadi a gabbietta per il fissaggio del coperchio nelle apposite sedi ricavate nella cassa
di fondazione.
FIG. 9 - LEVA DI TRAINO CON APERTURA FINO A 155°
A - NON USARE
B - Saldare al cancello con il perno come da Fig. 9
FIG. 10 - LEVA DI TRAINO CON APERTURA FINO A 180°
A - Usare solo quando il peso del cancello grava sul motore.
N.B.: Non usare con cerniere portanti.
B - Saldare al cancello con il perno come da Fig. 10
9 10
I