EasyManua.ls Logo

magicpak EWC V-Series - Page 12

Default Icon
12 pages
Print Icon
To Previous Page IconTo Previous Page
To Previous Page IconTo Previous Page
Loading...
Page 12 of 12 507390-03Issue 2217
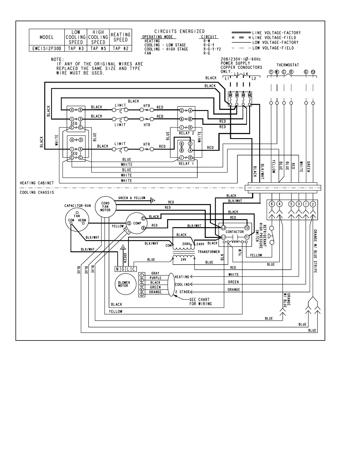
Figure 7. Wiring Diagram - EWC1512P30B

Related product manuals